This thread has been locked.

If you have a related question, please click the "Ask a related question" button in the top right corner. The newly created question will be automatically linked to this question.

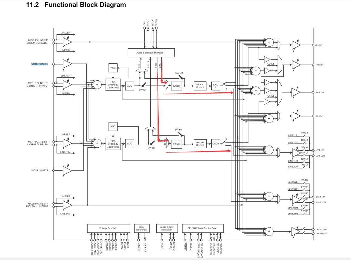
TLV320AIC3106: connect external i2s signal, but LEFT/RIGHT_LOUT Can't produce sound,why?

Part Number: TLV320AIC3106

external i2s,MCLK=12MHZ,WCLK=48KHZ,BLCK has audio data input with Oscilloscope,, but LEFT/RIGHT_LOUT Can't produce sound,why? thanks!

this is 3106 registers value

tlv320aic31_write(IIC_device_addr[chip_num], 7,  0xa);/* FSref = 48 kHz */ 

/*left and right DAC power on*/ || soft_reset 
tlv320aic31_write(IIC_device_addr[chip_num], 37, 0xc0);

 /*left DAC not muted*/ 
 tlv320aic31_write(IIC_device_addr[chip_num], 43, 0x0); 

 /*right DAC not muted*/ ~ 
 tlv320aic31_write(IIC_device_addr[chip_num], 44, 0x0);

//left-dac
tlv320aic31_write(IIC_device_addr[chip_num], 82, 0x80); 
tlv320aic31_write(IIC_device_addr[chip_num], 86, 0x08);


//right-dac
tlv320aic31_write(IIC_device_addr[chip_num], 92, 0x80); 
tlv320aic31_write(IIC_device_addr[chip_num], 93, 0x08);

  • Hello,

    Thanks for the detailed info. I just have a question regarding BCLK. What do you mean when you say BLCK has audio data input with Oscilloscope?

    There is actually an error in the data sheet. Bit D0 in registers 86 and 93 should be R/W. This bit in these registers will power on the left and right line-outs. Please write 0x09 to these two registers. Also, please make sure you are using the correct ASI format. In register 0x09, you are writing a value of 0x40 (Assuming these contents are in hex). This uses DSP mode and requires WCLK to have a one bit pulse. You can see the ASI communication requirements in section 11.3 in the data sheet.

    Regards,

    Aaron