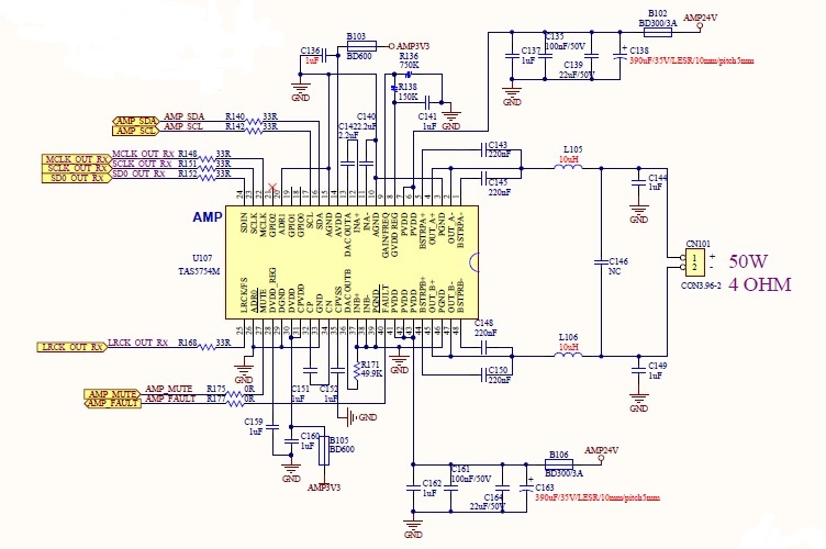
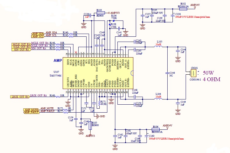
Hi
We are using TAS5754M and below is our test result for the frequency response. We observed that the frequency is not flat at low frequency (too high) and begin to drop too fast after 10KHz. Also our schematics attached below, any improve suggestion ?


