dear
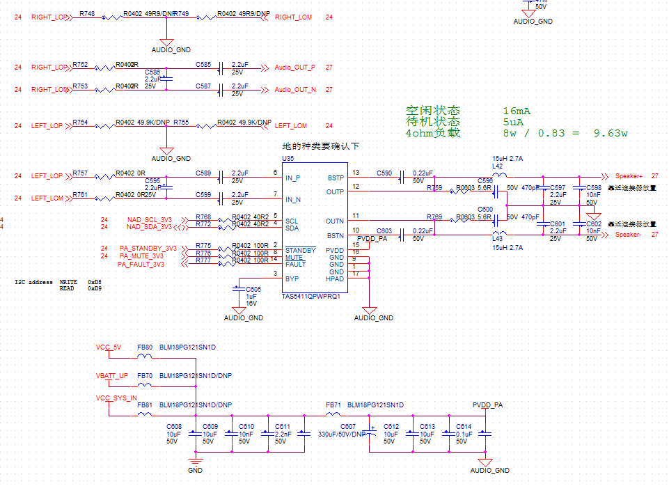
show as below sch, FB80 position is not welded, power supply 12v from VCC_SYS_IN , and speaker load is 4w 5ohm impendence
Now when you play the audio, there's a snap from the speaker, and then there's no sound and it's an electric current all the time.Stop playing, or control STANDBY or MUTE, and the electrical current dies out.
FAULT foot gives 3.3V pull up resistance.Keep measuring and FAULT is always low.
and any advise? thannks in advance
