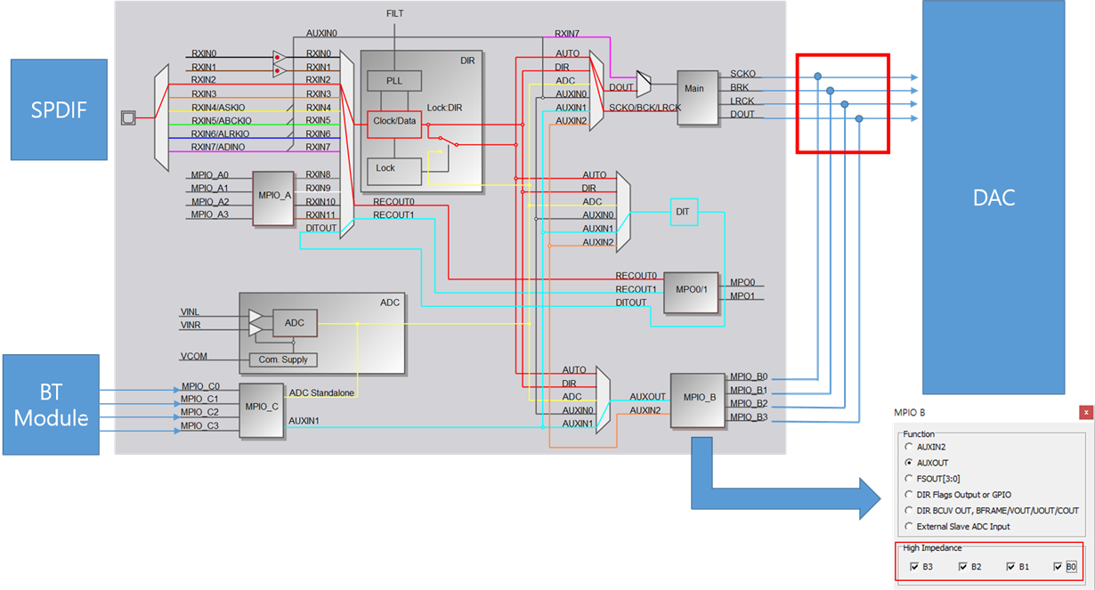
I don't want to use mux switch.
It has two input spdif and BT module i2s. No two inputs come in at the same time.
Can the main output and MPIO_B outputs be tied together with high impedance?
This thread has been locked.
If you have a related question, please click the "Ask a related question" button in the top right corner. The newly created question will be automatically linked to this question.
I don't want to use mux switch.
It has two input spdif and BT module i2s. No two inputs come in at the same time.
Can the main output and MPIO_B outputs be tied together with high impedance?
Hi Shin,
I'm not sure if I have understood correctly, but why not just change between DIR and AUXIN1 routing to the main output port? You can't have two devices actively driving the same lines so you are going to have to do some programming of the device to switch the input source, and this is better done through the Main Output port MUX.
Best,
Zak