This thread has been locked.

If you have a related question, please click the "Ask a related question" button in the top right corner. The newly created question will be automatically linked to this question.

TPA3116D2: When I use a load of 2ohm, THD+N and flatness of Frequency response become very bad.

Part Number: TPA3116D2

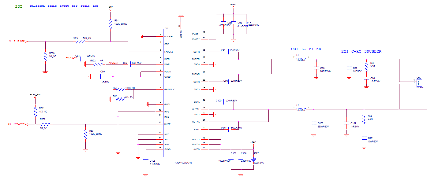
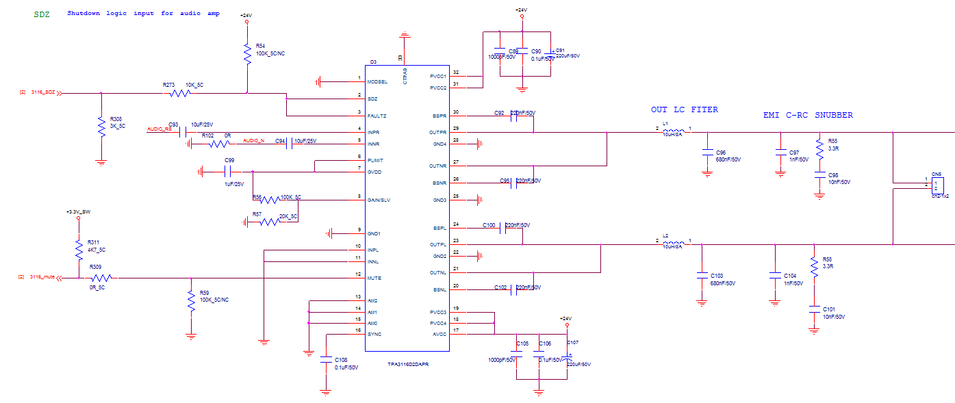
I use one TPA3116 amps in my circuit. In my circuit I use a single supply +24V. 

In order to get 100W output power, I use the MONO MODE (PBTL) . 

When I use a load of 8ohm, the performance index is very good. The THD+N and flatness of Frequency response are all good, the flatness is ±0.1dB(40Hz~16KHz).

But when I use a load of 2ohm, THD+N and flatness of Frequency response become very bad. The flatness becomes ±2dB(40Hz~16KHz).

The schematic diagram is just as the  reference design in Datasheet. 

How can I fix this problem ?

Looking forward to your reply,thank you!