This thread has been locked.

If you have a related question, please click the "Ask a related question" button in the top right corner. The newly created question will be automatically linked to this question.

TAS5755M: TAS5755M DRC

Part Number: TAS5755M

Hi Ti Team,

When TAS5755 is in Mono 1.1, it is found that the DRC of the treble and the bass cannot be completely separated; the DRC can be well controlled when the treble is input only or the bass is input separately. There will be interference when the treble and bass signals are input at the same time.

  • Hi,

             TAS5755 only supports 2.1 mode, so I want to know where you can set it as 1.1 mode?

    Leon

  • Hi Leon,

    Now that the product has been made, is there a way to solve this problem? 

  • Hi Switch,

                Whatever it is in production or not. We need to figure out the question first.

                1. How do you realize 1.1 mode? Do you have any schematic?

                2. What's the meaning of treble/bass DRC? Do you use PPC1 or GDE software to tuning?

    Leon

  • Hi Leon,

    1,Attached is the schematic diagramTAS5755M2.pdf

    2,Mono1.1 mode means that the DRC of the two channels are separated independently. (The input signal sends the same signal); The problem that needs to be solved now is how to separate DRC1 and DRC2?  


  • Hi Switch,

             1.  As said, TAS5755 does not support 1.1 mode because OUTA and OUTB is set as SE output and OUTC/OUTD is set as BTL output in 2.1 mode, you may hear nothing in TW channel.

             2. We suggest to use GDE GUI to debug TAS5755, link is listed as: https://www.ti.com/lit/zip/sloc257

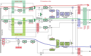
             3. From my EVM test, it can separate DRC1 and DRC2.  You can see TAS5755 2.1 mode process flow as below, red and green line mean SE output channel(left and right channel) and blue line means woofer mono channel, DRC 1 is working for red and green line while DRC2 is working for blue line. Suggest you use our TAS5755M EVM for validation.

          

    BRs

    Leon