This thread has been locked.

If you have a related question, please click the "Ask a related question" button in the top right corner. The newly created question will be automatically linked to this question.

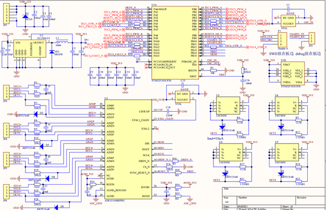
ADS131M08: can't read register of ADS131M08

Part Number: ADS131M08

hi Team,

I'm using ADS131M08 for our design, the schematic is below, I failed to read register from ADS131M08 by SPI, the example code is from your website, I just optimize it for our design.

about the SPI configure, how to set up related parameter for reading register, by the way, I just read chanel 2(AIN1N,AIN1P) by short OUT1 and REF1+.

BR

Jerry

  • Hello Jerry,

    I don't see anything wrong with the schematic. I see you are using an STMicro microcontroller, I assume you had to change the example the code to move it to the STMicro processor.

    Can you verify a known good value such as powering up the device and reading the default value of the 0x02 or 0x03 register to see if you get the expected value (0x510 and 0xFF0E)? This will help verify that your read routine is correct. Saying a SPI transaction "failed" is not descriptive enough to understand why it is not working. Have you verified that the DIN and DOUT waverforms match your expected SPI packet?

    Best,

    -Cole