This thread has been locked.

If you have a related question, please click the "Ask a related question" button in the top right corner. The newly created question will be automatically linked to this question.

ADS1298R: When the LL lead is off, the LEADOFF detection is not right.

Part Number: ADS1298R

Hi,

    I made the following test with ADS1298REVM. The registers are shown below.

    The RLD is set as (LA+RA+LL)/3. LOFFP/LOFFN and RLD_SENSP/RLD_SENSN are shown below.

    Question1.  When the LL lead is take off, the register shows that the LL and RA are both off. Can you help to solve this problem?

    Question2.  I find that when I set RLD=(LA+RA+LL+V1+V2+V3+V4+V5)/8. The above problem will be solved.

                         But that makes the waveform changes. What is the right RLD configuration?

When RLD=(LA+RA+LL)/3

When RLD=RLD=(LA+RA+LL+V1+V2+V3+V4+V5)/8

    Thank you.

Frank

  • Hi, 

    Our application engineer handling this part is currently on vacation. So, kindly expect a delay in our response. 

    I will check with other team members and get a response by June 12. 

    Thanks,

    Karthik

  • Hi,

    Are you using an ECG simulator?

    Question1.  When the LL lead is take off, the register shows that the LL and RA are both off. Can you help to solve this problem?

    Comment: several factors could affect customers need to try different combinations of gain settings, threshold settings, current amplitudes, and RLD. Electrodes could also affect.

        Question2.  I find that when I set RLD=(LA+RA+LL+V1+V2+V3+V4+V5)/8. The above problem will be solved.

                             But that makes the waveform changes. What is the right RLD configuration?

    Comment: several factors could affect customers need to try different combinations of gain settings, threshold settings, current amplitudes, and RLD and Electrodes could also affect. So, there is no definite right RLD configurations, customers will need to test and figure out the proper configuration and combinations based on but not limited to the parameters and settings mentioned above.

    Thanks

  • Hi ChienChun Yang,

        Yes, I'm using an ECG simulator.

        Following your advice, I tried many combinations of gain setting, threshold seeting, current amplitudes, and RLD.

        The best result I got now is with:

        1) RLD=RA+LA+LL/3

        2) gain=6

        3) LeadOff current=6nA

        4) threshold = 95%

       The result I got is:

       1. When any one while only one lead is off (except RLD), LeadStatus is correct.

       2. When 2 of them are off, LeadStatus is correct except when LA and LL are both off.

           when LA and LL are both off, it tells RA/LA/LL are off.

       3. When 3-7 of them are off, LeadStatus is correct except when LA and LL are off.

           when LA and LL are both off, it tells RA/LA/LL are off. For example, when LA/LL/V1/V2 are off, it tells RA/LA/LL/V1/V2 are off.

       That is very close to 100% accurate. Is it possible to get that? What can I do?

       Best regards,

    Frank

  • Hi,

    Appreciate for the info.

    ------------------------

    Would you please clarify what you mean when you put

    /#, where # is number 8 or 3?  e.g. RA+LA+LL/3?

    --------------------------------

    Also, when you put bold font, e.g. RA/LA/LL  what does this mean? what does bold font indicate/imply?

    Are you trying to say, it tends to report RA node is off while RA node is actually attached/connected?

    -------------------------------------------

    Could you do some more checks?

    When only RA and LA are disconnected, does it tell only RA and LA are off and LL is ON?

    When only RA and LL are disconnected, does it tell only RA and LL are off and LA is ON?

    -----------------------------------------

    Does the RLD electrode stay connected all the time?

    Thanks

  • Hi,

         1. RA+LA+LL/3, means RA\LA\LL are configured to generate RLD.

            When 

        RLD_SENSN.all = 0;
        RLD_SENSP.bit.RLD2P = 1; 
        RLD_SENSN.bit.RLD2N = 1;
        RLD_SENSP.bit.RLD3P = 1;
            We got RLD = (RA+LA+LL)/3. Isn't it?

        2. Yes, I use bold font to indicate the LeadStatus which is wrong.

            When LA and LL are off, the LeadStatus tells RA/LA/LL are off, which RA is actually attached.

        3. No, when only RA and LA are off, LeadStatus tells right.

                  when only RA and LL are off, LeadStatus tells right.

            As I mentioned in my last post, I haved tried every combination of lead off. Only when LA and LL are off, the LeadStatus will be wrong, it will tells RA is also off.

       2. When 2 of them are off, LeadStatus is correct except when LA and LL are both off.

           when LA and LL are both off, it tells RA/LA/LL are off.

       3. When 3-7 of them are off, LeadStatus is correct except when LA and LL are off.

           when LA and LL are both off, it tells RA/LA/LL are off. For example, when LA/LL/V1/V2 are off, it tells RA/LA/LL/V1/V2 are off.

       4. Yes, the RLD is always connected during all of the tests.

        Best Regards,

    Frank

  • Hi,

    1."We got RLD = (RA+LA+LL)/3. Isn't it?"  

    It could be a simplified assumption/representation.

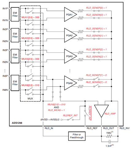
    You can refer to datasheet Figure 43. RLD Channel Selection. However, the block diagram is just showing the abstraction of the circuit, doesn't really represent the real exact implementation. RLDOUT also depends on the external feedback resistor across RLDOUT and RLDINV, and then follow the summing amplifier equation. 

    2.

    Where&How do you identify RA electrode/pin in the GUI? I.e. which pin or pins does your RA electrode go into?

    Did you enable the LOFF_SENSP and/or LOFF_SENSN that is associated with your RA electrode?

    If not, try enable the LOFF_SENSP and/or LOFF_SENSN bits that are associated with your RA electrode, one at a time and monitor. e.g. try enable LOFFP1 and LOFFN1, one at a time and both.

    3. Thanks for clarifying. So, only RA is not responding correctly. So, Do you mean that RA is always reported as OFF?

    Thanks

  • Hi ChienChun Yang,

          1. The ADS1298REVM board is used. The external circuit is with JP1 on.

         2. The configuration is show below. The board jumps are set as default.

             Only LL and LA are disconnected, while the Lead-Off Status tells IN3x and IN2x are disconnected, which indicates RA.

         3. No. Only when LL and LA are disconnected, it says LL/LA/RA are all disconnected, which is wrong.

            When LL is the only lead disconnected, it says LL is disconnected, which is right.

        Thank you.

    Frank

  • Hi ChienChun Yang,

        I find that, RLD configuration has relationship with the issue. In the following experiments, LL and LA are disconnected.

        [CFG1]   RLD=LA+RA+LL/3

        [CFG2]   RLD=LA+RA+LL+V3/4

        [CFG3]   RLD=LA+RA+LL+V1/4

     [CFG4]   RLD=[]

       But, with CFG2/CFG3/CFG4, the waveform will has distortion when the input has 300mV bias. Which I have discribed in 

    ADS1298RECGFE-PDK: What is the best RLD_SENS conifiguration? - Data converters forum - Data converters - TI E2E support forums

      So, CFG1 is the only configuration I can use. But it tells RA wrong when LA and LL are disconnected.

      Is there any solution?

      Thank you.

    Frank

  • Hi,

    I will get back to you around 6/29.

  • Hi

    Regarding to "I find that, RLD configuration has relationship with the issue."

    Yes, it's possible and probably not only the RLD configuration.

    --------------------------

    So, are you saying that CFG2/CFG3/CFG4 could give you all correct lead-off detection reading? but has distortion when the input has 300mV bias?

    What kind of distortion? how does the distortion look like?  Could you reduce the bias or reduce the gain?

    ---------------------------------------------

    And, are you saying that when setting [CFG1] even the input has 300mV bias, there is no distortion?, but only RA keeps reporting wrong when LA and LL are disconnected? wrong in what way? 

    -----------------------------------------------------

    are Gain settings the same or different? Suggest to try and compare different gain settings. 

    Thanks

  • Hi ChienChun Yang,

          Yes, you get what I mean. And the gain I have tried, nothing changes.

          I think it's not easy to discuss the configuration I use, I have tried a lot of configurations, which is even not reasonable. For example, the [CFG2] RLD=LA+RA+LL+V3/4, why only V3 is added?

         Since what we use is the ADS1298REVM.

         Could you please provide a reasonable configuration, that can work on the ADS1298REVM normally, in which, the LeadOff Status always tells right? Especially when the LL and LA lead are off.

         I have tried my best, and didn't work out.

         Thank you.

         P.S. Sorry for reply so late. I replied about 2 weeks ago, but it seems the post was sent unsuccessfully, maybe errors in web.

    Frank

  • Hi,

    The app engineer is on business travel trip between 7/11~7/22. Please expect delay.

    Apology for the inconvenience.

    Thanks.

  • Got it. Thank you.

  • Hi,

        Is there any update?

        Thank you.

    Frank

  • Hi,

    With the RLD settings as EVM GUI's default, and make sure you connect the RLD electrode to the ECG simulator -

    Thanks

  • Hi,

        My configuration is the same with the 1st configuration in your picture.

        And please note that in my post:

     1. When any one while only one lead is off (except RLD), LeadStatus is correct.

       2. When 2 of them are off, LeadStatus is correct except when LA and LL are both off.

           when LA and LL are both off, it tells RA/LA/LL are off.

       3. When 3-7 of them are off, LeadStatus is correct except when LA and LL are off.

           when LA and LL are both off, it tells RA/LA/LL are off. For example, when LA/LL/V1/V2 are off, it tells RA/LA/LL/V1/V2 are off.

        Please try to remove only LA and LL, you will see it report RA,LA and LL.

        Or if you remove LA\LL\V1, you will see it report RA\LA\LL\V1.

         Thank you.

    Frank

  • Hi,

    I removed either LA or LL and LA and LL,   RA is not affected, i.e. if RA is on, the report says RA is ON.

    Please make sure you connect RLD electrode, and RLD electrode is connected firmly.

    Thanks

  • Hi,

         I am sure the RLD is connected firmly.

         And as I described.

       2. When 2 of them are off, LeadStatus is correct except when LA and LL are both off.

           when LA and LL are both off, it tells RA/LA/LL are off.

         Would you please give me all the registers data, so I can check the difference between my configuration and your configuration?

         And the most important registers related to this issue may be in this photo.

        Best regards,

    Frank

  • Try

    Turn on LOFFP1 and LOFFN1

    Turn off all RLD_SENSP and RLD_SENSP.

    Use an ECG simulator and make sure RLD electrode is attached firmly.

    Thanks.

  • Hi,

        Turn off RLD_SENSP and RLD_SENSN will disable the RLD. Why "Turn off"?    Do you mean "Turn on"?

    Turn off all RLD_SENSP and RLD_SENSP.

    Thank you.

  • No. They don't. Please study the data sheet.

    Thanks.

  • Hi Yang,

         I tried "Turn off all RLD_SENSP and RLD_SENSP.", it works!

         Now, the LeadOffStatus is right, in every lead off combination situation.

         I still have a question:

         According to the datasheet, when "Turn off all RLD_SENSP and RLD_SENSP.", the RLD is drived by (AVDD+AVSS)/2.

         And, the datasheet says"The ADS129x provide the option to use input electrode voltages as feedback to the amplifier to more effectively
    stabilize the output to the amplifier reference voltage by setting corresponding bits in the RLD_SENSP and RLD_SENSN registers."

         My quesion is:

         Since I find that turning on RLD_SENSP2/RLD_SENSP3 and RLS_SENSN2 will make LeadOff dection not right when LL&LA are off. I wonder what is the best configuration for RLD? In what situration should I turn on the RLD_SENSP and RLD_SENSP?

         Or, let's narrow the issue: For the ADS1298EVM, what is the best configuration for RLD?

         Is there any more guidance documents about the RLD configuration?

         Thank you so much!

    Frank

        

  • There is no Best configuration for the RLD.

    It's case by case and applications by applications and could depends on the electrodes, environment, peripheral circuits and electrodes, skin conditions, cables/wiring, grounding,... ect.

    Some applications/products need to turn on some or a few or none of RLD_SENSP and RLD_SENSP.

    It depends.

    Thanks

  • Hi Yang,

          Is there any more theory or datasheet about that for guidance, or the best way is only to take experiments?

          Or, is there any application cases documents that TI can share we us. I just want to learn more about this, so that I can choose the best configurations for our products with different applications.

    It's case by case and applications by applications and could depends on the electrodes, environment, peripheral circuits and electrodes, skin conditions, cables/wiring, grounding,... ect.

          Thank you so much.

    Frank