This thread has been locked.

If you have a related question, please click the "Ask a related question" button in the top right corner. The newly created question will be automatically linked to this question.

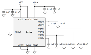
ADS131E08: will it work with ADS131E08S capacitors.

Part Number: ADS131E08


Tool/software:

Will the ADS131E08 work with capacitors values which were adjusted for ADS131E08S?

The 3ms startup is not used in based aplication with ADS131E08S. 
  ADS131E08

 ADS131E08S

Bonus question: Can the reference voltage (VREFP) be connected between two parallel connected ADCs (ADC is configurated to select internal reference)?