Tool/software:
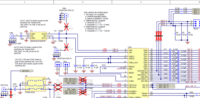
I would like to ask about whether the ADC12J4000EVM ADC can support dual polarity or not. In other words, can It accept negative AC values?
Also concerning the Input Range, It is mentioned that it supports 0.725V p.p. Does that mean that the signal can swing from 0 to 0.725V or from -0.3625 to 0.3625V?
Thank you very much.
