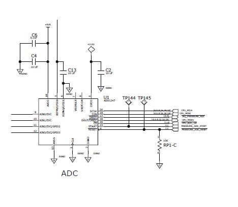
I have checked the forum but could not find any answer to my issue. Here is the problem:
1. I can read from the registers and they show proper default values.
2. I can read the ADC conversion results.
3. I have check and verify all SPI signal & timing.
4. I have followed proper steps to set the start pin to high, wait for the current conversion to complete, stop continuous read conversion mode, flush out output buffers,
5. But I still can not write to the registers. Despite changing PGA and data rate, I always get default PGA of 1 and 2sps conversion rate.
Is there any timing required between setting start pin high and first write to the chip?
Any insight into this problem is highly appreciated.
Trac



