Hi,
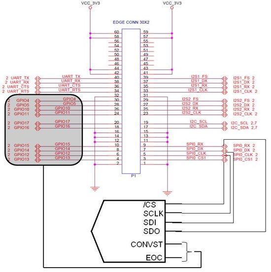
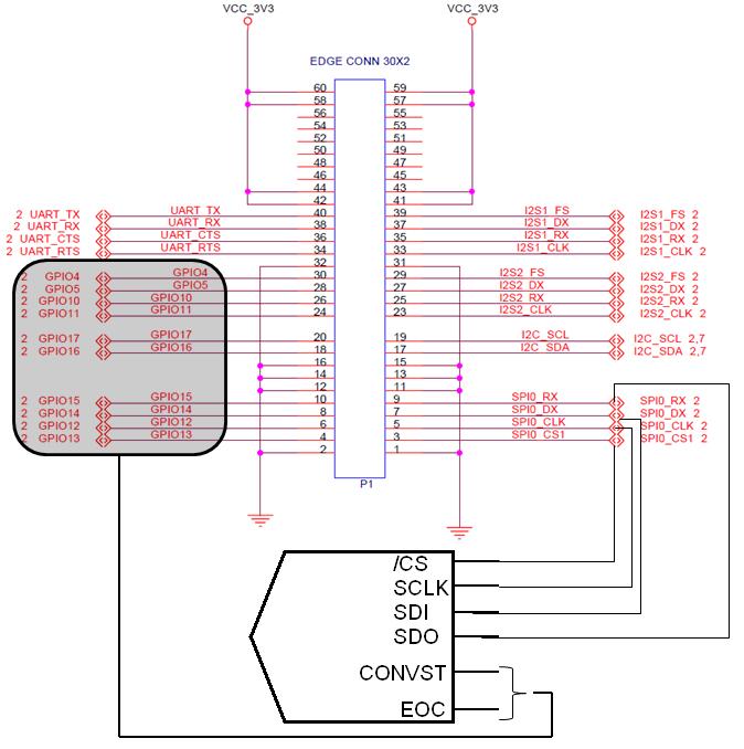
Can you provide me a block diagram for using ADS8332? I connected the ADS8332EVM to a DSP via wires for controlling the SDI, SDO, CONVST, CS, EOC and SCLK. Still, the timing diagrams don't work for me because I can't get a valid result after reading the conversion bits.
How should I set those signals to get valid data?
Please, help me! Thanks.
