Hello!
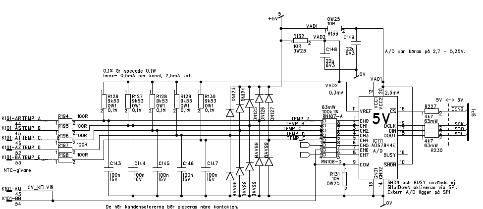
We are measuring temperature using the ADS7844. We have some kind of problem with the A/D converter. Sometimes all the values spontaneously drop by approximately 40°C, but they still are proportional to the temperature.
A "soft reset" to the CPU does not solve the problem, we still get faulty values after restart. A "hard reset", powering down the whole system, does clear the problem. This indicates that the problem is in the A/D-converter itself, and not in the CPU or in our code.
Note that this type of A/D is setup every time we take a reading, and that the faulty values remains stable from reading to reading. I.e. first we get a lot of correct values, that accurately show the temperature. Then suddenly all channels drop about 40°, and stay 40° below the actual temperature. But they change slowly as the actual temperature changes.
Has this problem been reported by anyone else, and what should we do about it?
If you have any questions, just ask me,
Ingemar Hjort
