This thread has been locked.

If you have a related question, please click the "Ask a related question" button in the top right corner. The newly created question will be automatically linked to this question.

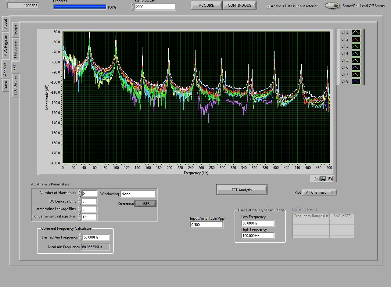
Too much noise in ADS1298ECGFE-PDK

Hi,

Same problem here. ECG signal acquired using ADS1298ECGFE-PDK is too noisy and its frequency spectrum has spikes are multiples of power hum at 50 Hz. Attached are the pictures of limb leads and the frequency spectrum. All the jumpers are in default position as given in quick start manual. Kindly help me get a better output signal.

Regards,

Abdullah