This thread has been locked.

If you have a related question, please click the "Ask a related question" button in the top right corner. The newly created question will be automatically linked to this question.

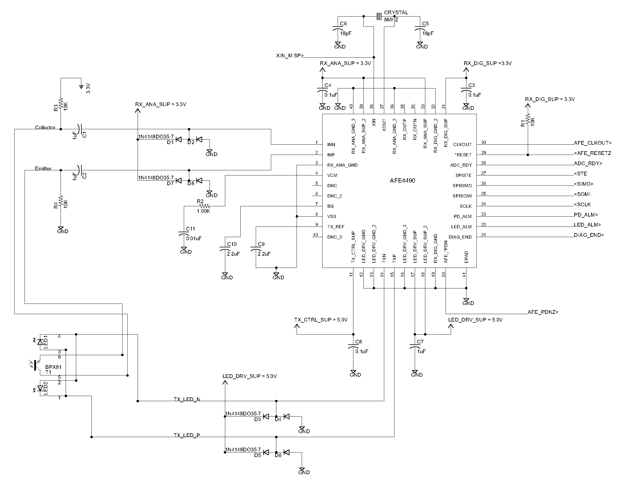
AFE4490 LED Behavior

Other Parts Discussed in Thread: AFE4490

Hello,

Just a quick question - should my LEDs light up when power is supplied to my "stand-alone" AFE4490 circuity?


I have created a prototype of my circuit around the AFE4490. All reference voltages and the clock are returning expected values, which means that the AFE is working properly. I have NOT interfaced to a microcontroller just yet. Should my LEDs be lighting up when interfaced to the AFE in its default state, or does that require the MCU to be interfaced and communicating with the AFE first?

Thanks.