Other Parts Discussed in Thread: ADS1220, ADS1248, ADS1243
Hi all,
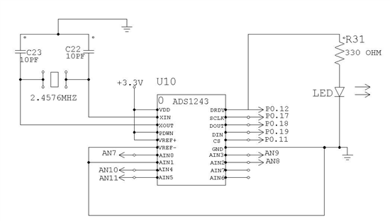
We are interfacing ADS123 with LPC2148 and facing the following problems.
our setup.
vref+ 3.3v
vref- 0v (GND)
AIN1 : Thermistor 30K (Voltage divided by using 1k resistor)
RANGE : 0
UNIPOLAR
When we read ADC value using RDATA, after getting the DRDY low. The value we get is inconsistent.
When read continuously
1. It gives the one reading.
2. the second time it display some other reading
3. after couple of times it again displays the first reading.
Ex. When the ADC value is converted to Deg C using Steinhart–Hart equation I get something like the following
(Output in DEG C )
34.0
35.5
34.0
32.8
I replaced the thermistor with a pot and still getting the same result. can some one help me understand where I am wrong.
