Hi ,
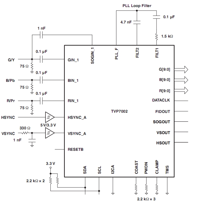
What does the 1nF cap on VSYNC used for ? Should it be tuned for different resolution/fps ?
Thanks and Best Regards,
Eason
This thread has been locked.
If you have a related question, please click the "Ask a related question" button in the top right corner. The newly created question will be automatically linked to this question.
Hi ,
What does the 1nF cap on VSYNC used for ? Should it be tuned for different resolution/fps ?
Thanks and Best Regards,
Eason
Hi
could help explain the possible reasons for this cap?
Dahua guys just need something to fillin there report...
BR
Eason