This thread has been locked.

If you have a related question, please click the "Ask a related question" button in the top right corner. The newly created question will be automatically linked to this question.

question on AFE5809's coefficient output test mode

Hello,

In the datasheet it describes coefficient test mode as below,

>>>The Input to the decimating filter can be replaced with a sequence of "one impulse" and "zero" samples,
where "one impulse(that is 0x4000)" is followed by (16 x M) "zeros (that is 0 × 0000)". 

However I got some confusing results by using test vectors provided in EVM package.

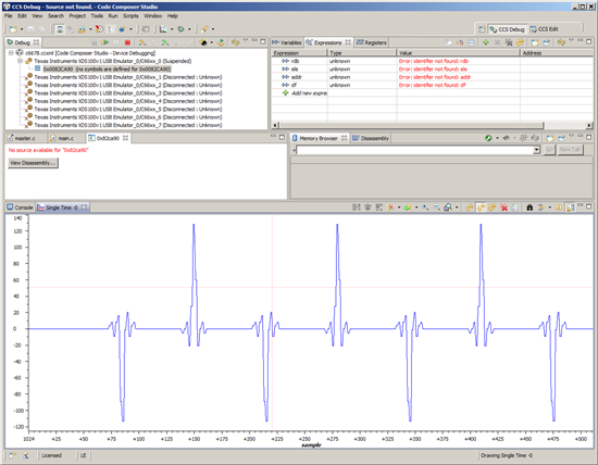
1.decimation factor=4, below is the original filter plot,

below is output of coefficient test mode which has been decimated by 4,

Question: how does the negative impulse response come from?

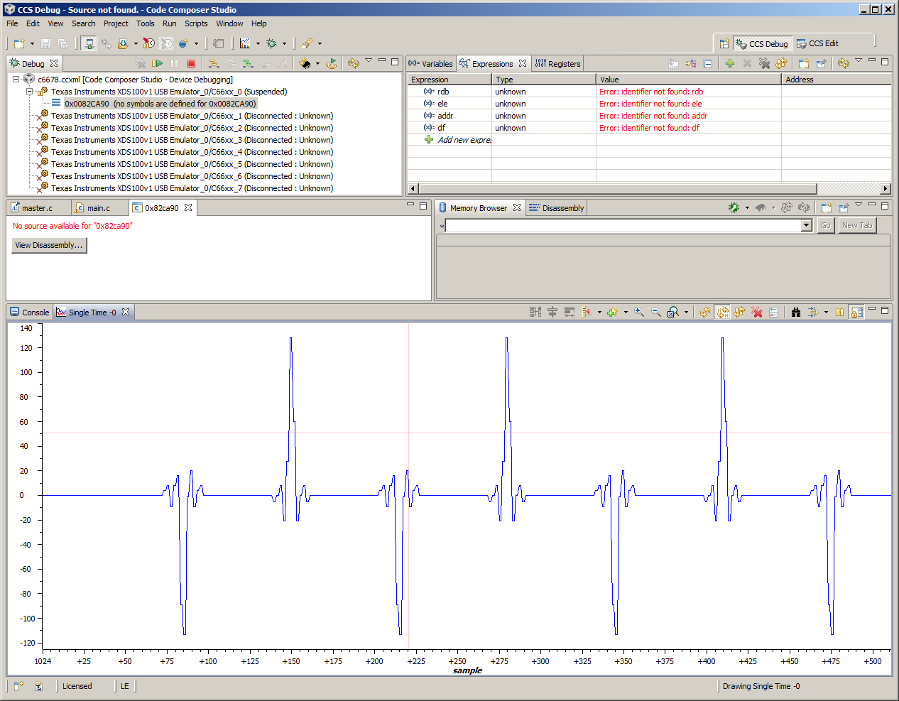
2.M=16 original filter

test result of coefficient test mode output which has been decimated by 16,

Additional question: how to explain the distance between response? In M=4, the distance is 64, however in M=16 the distance is 32.

And maybe the root question is: what's the real input sequence in coefficient test mode?

Thanks!

B.R.

River