Hi,
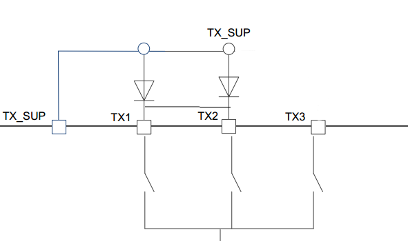
I want to use AFE4404 and NJL5310R to design a new model to improve my wrist heart rate monitor solution. Now I have a problem that whether can I connect 2 or 3 TXn (n = 1, 2, or 3) pins of AFE4404 to a same LED's cathode to implement using different TXn settings. See the following piciture:
The purpose for this hardware design is I can use different TXn settings with just one NJL5310R during the same measuring progress. For example, in the figure 24 of the AFE4404 datasheet rev b, when sampling LED2, I can use TX2 channel setting for NJL5310R, and when sampling LED1 I can use TX1 channel setting for NJL5310R.
Thanks for any reply.
