This thread has been locked.
If you have a related question, please click the "Ask a related question" button in the top right corner. The newly created question will be automatically linked to this question.
Hi Brian-san,
Thank you for explaining so politely.
I have an additional question.
Could you please tell me the value of HBM, CDM and other parameters which is needed to isolate the medical instrumentation(ECG, EMG and EEG) if you know ?
Best regards,
Kato
Hi Brian-san,
Thank you for your quick reply.
I will consult it to our colleagues and your local office FAE.
Best regards,
Kato
Hi Kato-san,
Were you able to use the ISO7141 or did you go to a faster part?
Thanks for your help,
Kevin
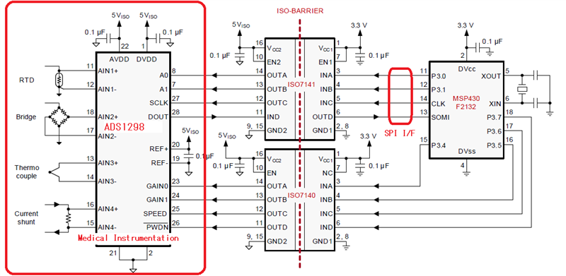
Hi Kevin-san,
I have suggested ISO7141 to our customer as below.
ISO7141 is able to be used as the isolation of the SPI I/F for ADS1298.
However, please design the timing of SPI I/F considering the propagation delay and the output skew and etc between channels.
Best regards,
Kato