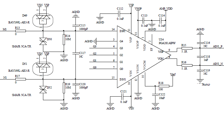
The chip ADS1278 was used in our product for data aqquisition. Since the prototye design stage(about 20pcs), there are several ICs functioning abnormally, mostly one channel not working properly. The collected data of this channel is of full scale 3V(VREF 3v), test condition is floating differential input(each pin is 10MΩ resistor paralleled to GND) of pre-amplifier. Normally the data is of small amplitude around ground level. Pre-amplifier IS is PGA281.



