This thread has been locked.

If you have a related question, please click the "Ask a related question" button in the top right corner. The newly created question will be automatically linked to this question.

ADS1292 is not working

Other Parts Discussed in Thread: MSP430F5659, ADS1292ECG-FE, ADS1292

Hi,

I am working with ADS1292 using MSP430F5659 controller SPI. I have done the firmware referring the ADS1292ECG-FE firmware coding.

I am able to read and write the register, but i am not able to read the ADC value from channel 2 when i vary the input, it give constant value always.

What could be the problem here.

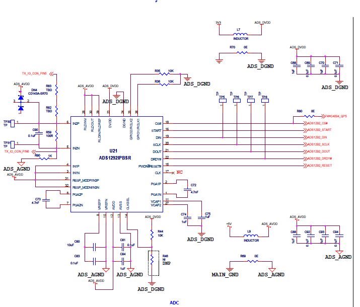
I have selected internal CLK and internal Reference voltage. Please refer the attached h/w interface diagram.

ADC is running @ 500 SPS, SPi clock is 1M for initialization phase as well as Data read

My initialization routine will follows here which is similar to ADS1292ECG-FE firmware init.

Ex_ADC_Init()

{

ADS1x9x_PowerOn_Init(); 

//Filter_Option = 3; // Default filter option is 40Hz LowPass
Start_Read_Data_Continuous(); //RDATAC command
for ( i =0; i < 10000; i++);
for ( i =0; i < 10000; i++);
for ( i =0; i < 10000; i++);

ADS1x9x_Disable_Start();
ADS1x9x_Enable_Start();

for ( i =0; i < 10000; i++);
for ( i =0; i < 10000; i++);
for ( i =0; i < 10000; i++);

Set_Device_out_bytes();

}

ADS1x9x_PowerOn_Init()

{

Init_ADS1x9x_Resource();
ADS1x9x_Reset();
for (j = 0; j < DELAY_COUNT; j++)
{
for ( Init_i =0; Init_i < 20000; Init_i++);
for ( Init_i =0; Init_i < 20000; Init_i++);
for ( Init_i =0; Init_i < 20000; Init_i++);
}
Init_ADS1x9x_DRDY_Interrupt();
//ADS1x9x_Clock_Select(1); // Set internal clock
for ( Init_i =0; Init_i < 20000; Init_i++);
for ( Init_i =0; Init_i < 20000; Init_i++);
for ( Init_i =0; Init_i < 20000; Init_i++);
ADS1x9x_Disable_Start();
ADS1x9x_Enable_Start();

Hard_Stop_ADS1x9x();

Start_Data_Conv_Command();

Soft_Stop_ADS1x9x();

for (j = 0; j < DELAY_COUNT; j++)
{
for ( Init_i =0; Init_i < 20000; Init_i++);
}
Stop_Read_Data_Continuous(); // SDATAC command
for (j = 0; j < DELAY_COUNT; j++)
{
for ( Init_i =0; Init_i < 35000; Init_i++);
}
for (j = 0; j < DELAY_COUNT; j++)
{
for ( Init_i =0; Init_i < 35000; Init_i++);
}
ADS1x9x_Read_All_Regs(ADS1x9xRegVal);
ADS1x9x_Default_Reg_Init();
ADS1x9x_Read_All_Regs(ADS1x9xRegVal);

}

I dont whether i am doing any wrong initialization or is there any h/w issue.

SPI init routine is shown below

void Set_UCB0_SPI(void)
{

uint8_t returnValue=0;

P2SEL |= BIT1+BIT2+BIT3; // Set SPI peripheral bits
P2DIR |= BIT1+BIT3; // Clock and DOUT as output MOSI & CLK
P2DIR &= ~BIT2; // Din as input MISO
UCB0CTL1 |= UCSWRST; // Enable SW reset
UCB0CTL0 |= UCMSB+UCMST+UCSYNC; //[b0] 1 - Synchronous mode 
//[b2-1] 00- 3-pin SPI
//[b3] 1 - Master mode
//[b4] 0 - 8-bit data
//[b5] 1 - MSB first
//[b6] 0 - Clock polarity low.
//[b7] 1 - Clock phase - Data is captured on the first UCLK edge and changed on the following edge.

UCB0CTL1 |= UCSSEL__ACLK; // ACLK
UCB0BR0 = 24; // 1 MHz
UCB0BR1 = 0; //
UCB0CTL1 &= ~UCSWRST; // Clear SW reset, resume operation

}

DRDY interrupt init routine 

void Init_ADS1x9x_DRDY_Interrupt (void)
{

P3DIR &= ~0x02;

P3REN |= BIT1; // Enable P3.1 internal resistance
P3OUT |= BIT1; // Set P3.1 as pull-Up resistance
P3IES |= BIT1; // P3.1 Lo/Hi edge
P3IFG &= ~BIT1; // P3.1 IFG cleared
P3IE &= ~BIT1; // P3.1 interrupt disabled

}

start ADC function is called for the continuous read data command and data ADC start conversion

Start_Ex_ADC()

{

ADS1x9x_Disable_Start(); // Disable START (SET START to high)

Set_ADS1x9x_Chip_Enable(); // CS = 0
__delay_cycles(300);
Clear_ADS1x9x_Chip_Enable(); // CS = 1

UCB0CTL1 |= UCSWRST; // Enable SW reset
UCB0CTL0 |= UCMSB+UCMST+UCSYNC; //[b0] 1 - Synchronous mode 
//[b2-1] 00- 3-pin SPI
//[b3] 1 - Master mode
//[b4] 0 - 8-bit data
//[b5] 1 - MSB first
//[b6] 0 - Clock polarity low.
//[b7] 1 - Clock phase - Data is captured on the first UCLK edge and changed on the following edge.

UCB0CTL1 |= UCSSEL__ACLK; // ACLK
UCB0BR0 = 2; // 12 MHz
UCB0BR1 = 0; //
UCB0CTL1 &= ~UCSWRST; // Clear SW reset, resume operation

Set_ADS1x9x_Chip_Enable(); // CS =0
__delay_cycles(300); 
Start_Read_Data_Continuous(); //RDATAC command
__delay_cycles(300);
ECG_Recoder_state.state = ACQUIRE_DATA_STATE; // state = ACQUIRE_DATA_STATE
ECG_Data_rdy = 0;
Enable_ADS1x9x_DRDY_Interrupt(); // Enable DRDY interrupt
ADS1x9x_Enable_Start(); // Enable START (SET START to high)


}

On interrupt i.e. DRDY port interrupt SPI count is made zero and data is gathered . Both interrupts are given below

 

// DRDY port pin interrupt

void Port3_int(void)
{


if ( P3IFG &= BIT1)
{
P3IFG &= ~BIT1; // Clear P3.1 IFG i.e Data RDY interrupt status
SPI_Rx_Count = UCB0RXBUF; // Dummy Read
SPI_Rx_Count=0;

UCB0TXBUF = 0;
UCB0IE |= UCRXIE; // Enable USCI_B0 RX interrupt
//Enable Receive interrupt
USCI_B_SPI_clearInterrupt(USCI_B0_BASE, USCI_B_SPI_RECEIVE_INTERRUPT);
USCI_B_SPI_enableInterrupt(USCI_B0_BASE, USCI_B_SPI_RECEIVE_INTERRUPT);

//Disable_ADS1x9x_DRDY_Interrupt(); // Enable DRDY interrupt
}

}



void SPI_B0(void)
{


switch(__even_in_range(UCB0IV,4))
{
case 0:break; // Vector 0 - no interrupt
case 2: // Vector 2 - RXIFG

while(!USCI_B_SPI_getInterruptStatus(USCI_B0_BASE,
USCI_B_SPI_TRANSMIT_INTERRUPT))
{
;
}

receiveData = USCI_B_SPI_receiveData(USCI_B0_BASE);
SPI_Rx_buf[SPI_Rx_Count] = receiveData;
SPI_Rx_Count++;
if ( SPI_Rx_Count == SPI_Rx_exp_Count)
{


//UCB0IE &= ~UCRXIE; // Disable USCI_B0 RX interrupt
USCI_B_SPI_clearInterrupt(USCI_B0_BASE, USCI_B_SPI_RECEIVE_INTERRUPT);
//ADS1x9x_Parse_data_packet();
ADS1292x_Parse_data_packet();


}
else//data
{


transmitData=0;

//Send next value
USCI_B_SPI_transmitData(USCI_B0_BASE,
transmitData);


}
//Delay between transmissions for slave to process information
__delay_cycles(40);
break;
case 4:break; // Vector 4 - TXIFG

default: break;
}

}

Please let me know any thing i am missing , i need urgent help 

Any suggestions are welcome.

Nitesh

  • Nitesh,
    If your able to read and write SPI, the only thing I can think of is to check to make sure that you are sending the appropriate start signal to the ADC.

    I'm going to move this over to the Precision Data Converters Forum, so they can check their side of things.
  • Hi Nitesh,

    What values are you getting from the ADS1292 when you read the data? Can you please include screen shots/plots (O-Scope or Logic Analyzer) of your communication with the ADS1292?

  • HI Cameron,

    Thanks, one more thing whether start command should be send with CS# low or it does not matter ? Can you just clear what should be the sequence for starting the ADC once all the registers are written as expected?

    We are using internal OSC and Reference and CLK pin in NC. Any thought on this.

    Nitesh

  • Hi Cameron,

    We are now able to read the ADC data from ADS1292 for different input and its working fine. Problem was SPI clock frequency and some ADS 1292 register settings.

    But still we are not measuring correct value. We are seeing some drop in calculated value and actual value.
    Ex.
    For 0.4v – 0.333v
    0.8v – 0.67 v
    1.2v – 10.1v
    And we are seeing constant linear drop in measured value.
    Please can you help in resolving this issue.

    Nitesh
  • Hi Nitesh,
    This sounds like the issue is more on Tom's (ADC) side of things. I'll going to let him respond.
  • Hi Nitesh,

    Scope captures showing your communication would be helpful. Providing the raw codes received and the measured voltage on the inputs would also be helpful.
  • Hi Tom,

     

    Here is our formula for calculating the ADC converted data for positive range.

       Voltage measured Value  =  Vref (2.42v)/ (2^23-1) * ADC Count (23 bit considered ignoring MSB 24bit if set)

    For Ex.

                    0.8v  input value, measured count  0x23EE91 after calculation measured voltage is –> 0.67v while expected value was 0x2A5065 counts

    0.4v  input value, measured count 0x11CbD4  after calculation measured voltage is –> 0.336v while expected value was 0x152832 counts


    So we are seeing a constant linear voltage drop.


    Nitesh

  • Hi Nitesh,

    Please describe your hardware setup. How is your ADS1292 hardware configured? Is this a proper PWB or is it a breadboard/prototype setup? How many samples are you taking for each DC input value? Have you verified that your reference and input voltage levels are stable?
  • Hi Tom,

    Please share your email i will send the schematic. Its proper PWB, with internal reference and sampling 500 sps. I forgot to mention we are using ADS1292 to measure the current and across 100 Ohm we are taking the voltage which is input for the channel 2. We gathered 500 and 1000 samples and took the average.

    Thanks,

    Nitesh