This thread has been locked.

If you have a related question, please click the "Ask a related question" button in the top right corner. The newly created question will be automatically linked to this question.

regarding issue related to TIDA0096 board for evaluation of ECG

Other Parts Discussed in Thread: CC2541, ADS1293, ADS1293EVM

I need an urgent info.

 

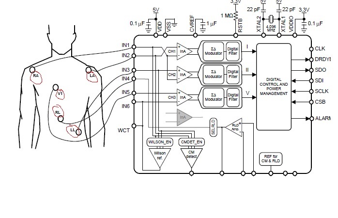
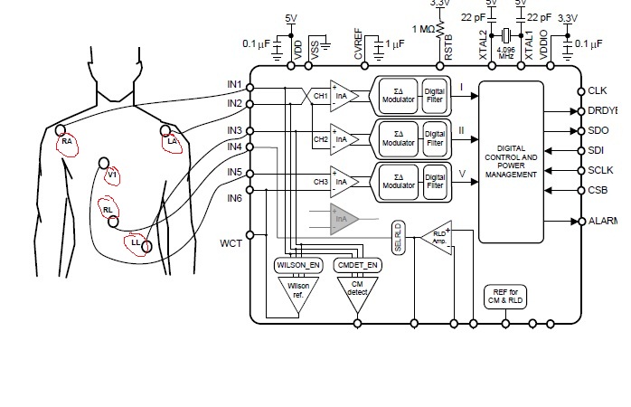
Tried plotting ECG wave on Mobile App from TIDA00096 (ADS1293 + CC2541).

When tested, we did took lead for "RA" and read data in Mobile app and plotted same.

As per technical info, 20 byte format is to be received in mobile app, and only 4th byte was actually carrying the ECG data.

 

We used below line of code to extract the data from 20 byte header and using it to plot.

 

int ECGData = 20byteArrayfromTIDA[4] & 0xFF;

 

We saw in plot is a pure noise.

Please advice if this code snippet is correct.

thanks,

Kushanga