This thread has been locked.

If you have a related question, please click the "Ask a related question" button in the top right corner. The newly created question will be automatically linked to this question.

AFE4490_problem with PD reading

Other Parts Discussed in Thread: AFE4490

Hello,

I could write registers of AFE4490 and i can read them back correctly, but when i read registers (2a, 2b, 2c, 2d, 2e and 2f), the result is a big number and even when i open or short INN and INP pins, numbers don't change.

stage2 is disabled.

all forms of Rf and Cf were tried.

pins 4, 7, 9 and 30 show correct values according the datasheet .

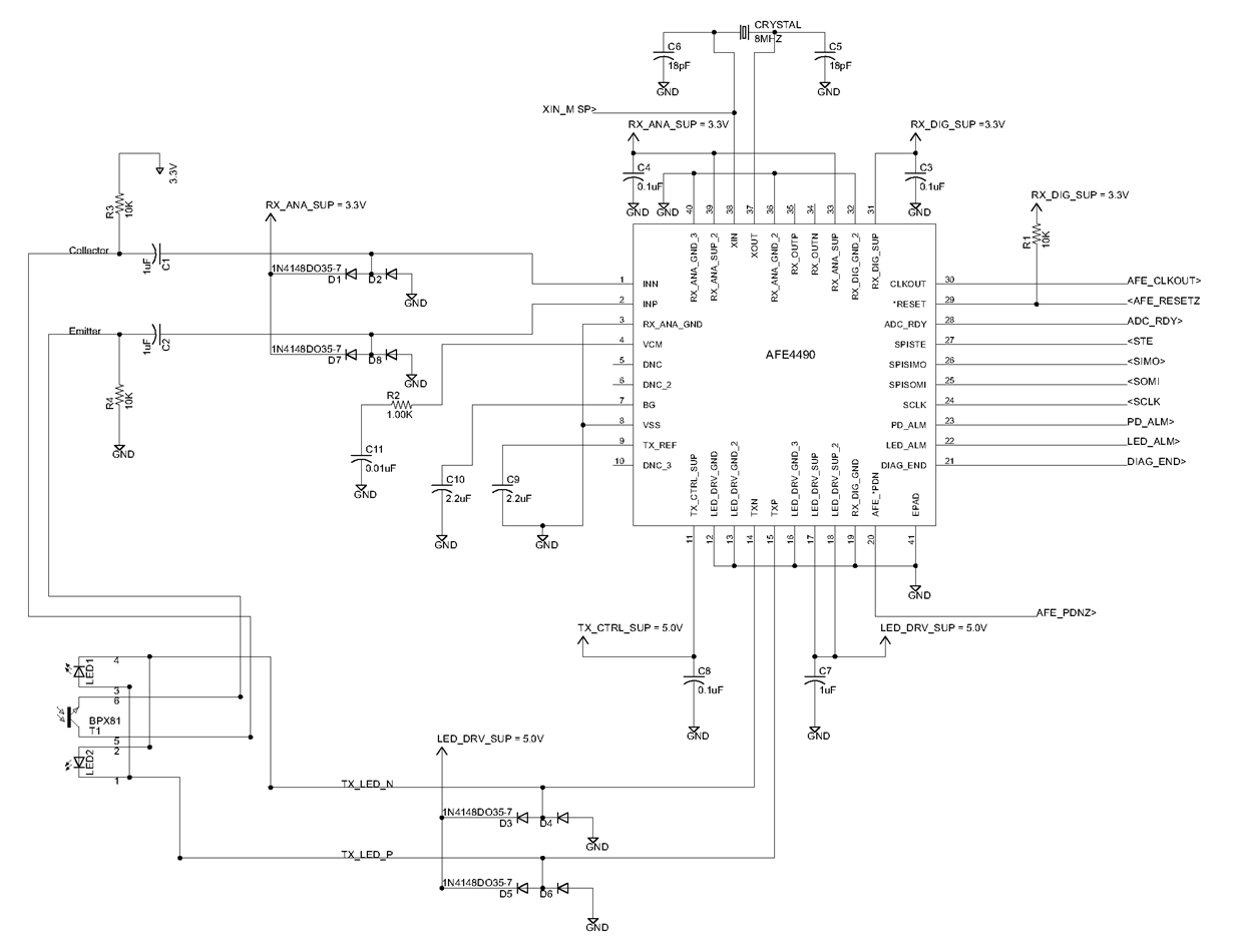
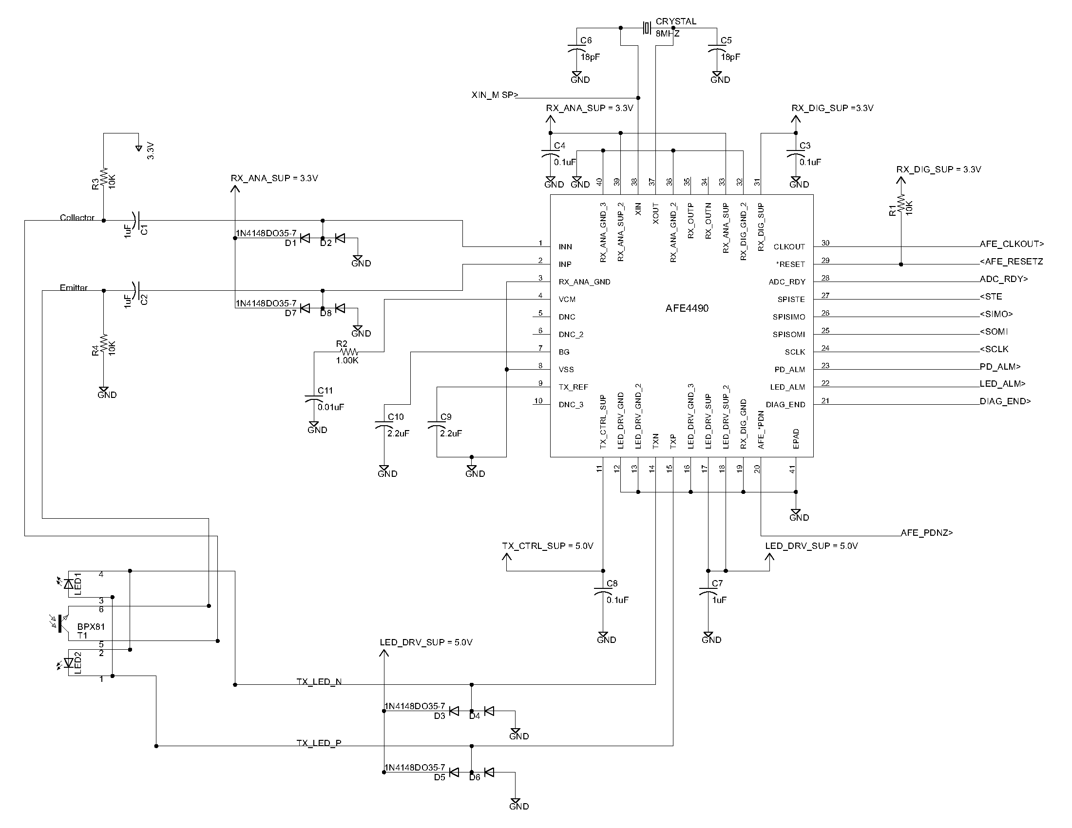
schematic is attached .

any ideas please?

thanks!