This thread has been locked.

If you have a related question, please click the "Ask a related question" button in the top right corner. The newly created question will be automatically linked to this question.

ADS7841 Question for Layout

Guru 16770 points
Other Parts Discussed in Thread: ADS7841

Hi

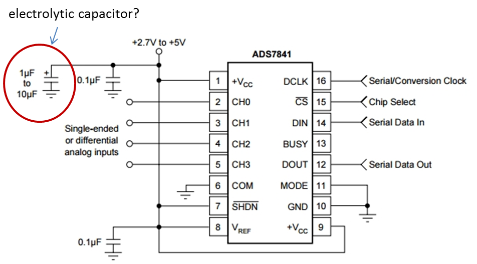
According to the Figure 1 on the datasheet of ADS7841, there are two capacitors at +VCC, 0.1uF and 1uF to 10uF.

The capacitor that is 1uF to 10uF would be electrolytic capacitor.

What is the purpose of using electrolytic capacitor?

Can we replace it to ceramic capacitors?

BestRegards

 

  • Hello,

    The datasheet does not mention a requirement for an electrolytic capacitor.  

    Typically ceramic X7R (or X5R) grade ceramic bypass capacitors are used on the ADC supplies, 

    Which document mentions the ADS7841 requires an electrolytic capacitor?

    Thank you and Best Regards,

    Luis

  • Hi Luis


    Thank you for your reply.

    I' sorry my question was not clear.

    I thought the circled capacitor in the following indicated electrolytic capacitor because it has polarity.
    (It is from the Figure 1 on the datasheet)



    Best Regards