TI professors,
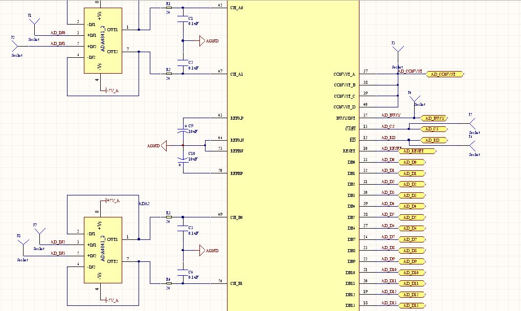
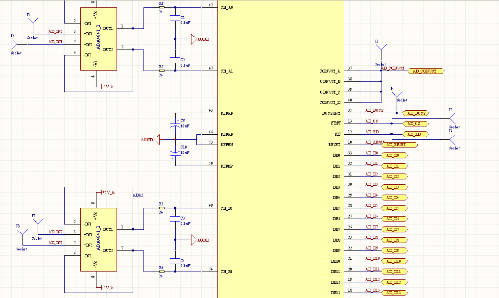
Use FPGA to control ADS8568 and set ads8568 as hardware mode . Vref is 2.5V. when I input 25KHz 4V sine wave , the quantization value just have 15904 ,which is much smaller than 26213. When I input 25Khz 2V or less sine wave, the consult is correct.
I test VEFIO pin, the value is 4.9V. I think the reason why the fault occur is this.


