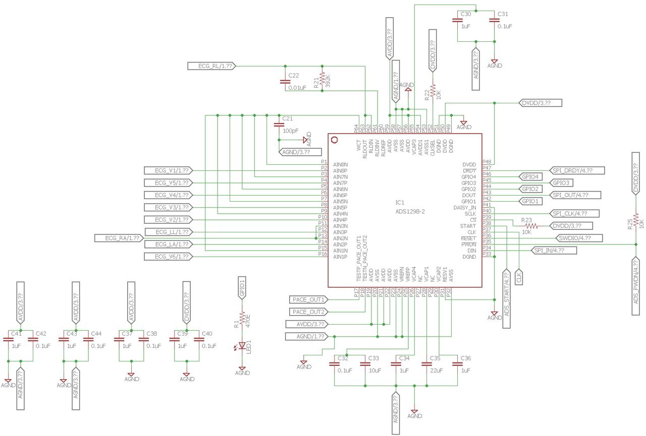
Hello, im doing a mobile application that recieve 12 ECG derivations and graph the 12 derivations.
First, im triyng to read channel 2 and 3 form the ADS and display the data in a graphic, but i have signals that do not look like ECG. I have 2 questions.
1.- The channel 2 and channel 3, have LEAD I and LEAD II.
I am rigth?
2.- can you tell me if my configuration in the registers is the correct?
My configuration:
Register , Data
0x01, 0x86
0x02, 0x10
0x03, 0xdc
0x04, 0x1d
0x05, 0x81
0x06, 0x00
0x07, 0x00
0x08, 0x81
0x09, 0x81
0x0a, 0x81
0x0b, 0x81
0x0c, 0x81
0x0f, 0xff
0x10, 0x00


