This thread has been locked.

If you have a related question, please click the "Ask a related question" button in the top right corner. The newly created question will be automatically linked to this question.

Linux/TSC2007: TSC2007: PENIRQ signal can not generated interrupt signal all the time

Part Number: TSC2007

Tool/software: Linux

Hi everyone,

 
I'm developing a new board based on the IMX6.

I have driven a touch screen on I2C bus 3.

 

Sometimes it's can work correctly.

 

Sometimes I found  TSC2007: PENIRQ signal can not  generated interrupt signal .

It is always keep high.

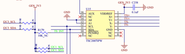
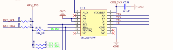
My hardware schematic is as follows:

 

Does anyone know what I am doing wrong? Any clue about that error?
 
Kind regards
  • Li Hu,

    Sorry for the long delay in response on this. I noticed that you have two postings on the same device. I responded to the other posting. Here the problem is with the PENIRQ. The PENIRQ function configuration can be disabled in software. Table 2 in the data sheet shows how the register can be used to configure this pin. Based on the other E2E posting, you are having some communications issues. Is it possible that the command byte is not configuring the PENIRQ correctly? When the PENIRQ functions correctly, does it stay functional until the device has been re-configured? I believe that you may solve both problems if you solve the communications problem.