Other Parts Discussed in Thread: ADS124S08, ADS1148
Hi,
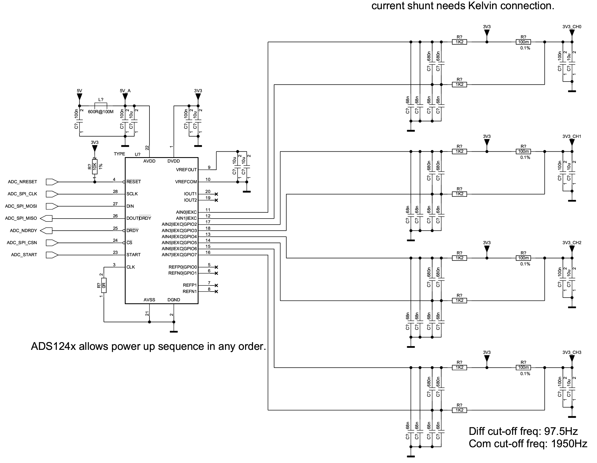
I'm planning to use ADS1248 as the high side current sensing of multiple channels of 3.3V voltage supplies. The schematic is shown as below.
The range of the current is 0~600mA. (single direction), the desired sampling frequency is >=200Hz.
The filters are designed to suit this sampling frequency. The input low pass filter uses 1.2Kohm resistor, as the datasheet recommends <10kOhm.
I'm planning to use a PGA gain of 32, so for 0.1Ohm sensing resistor, the full scale input current range is -640~+640mA.
The AVDD of ADS1248 is supplied with 5V. According to the calculation, the allowable common mode voltage range is 1.124V ~ 3.876V, so 3.3V won't exceed this range.
Most of the reference circuit of ADS1248 is for RTD temperature measurement so I've never seen a similar current measurement circuit before.
So Please help me check if this circuit can work as desired.
Any other recommendation on improving performance and reliability (such as PCB layout considerations, ESD protection measures) are welcomed.
Thanks for the help!!
Regards,
Shan Song
