This thread has been locked.

If you have a related question, please click the "Ask a related question" button in the top right corner. The newly created question will be automatically linked to this question.

VSP5610: in one channel not getting 3 count

Part Number: VSP5610

Hi,

I have conifigured Afe in cds mode and i have ground my input signal.In 2 channels i am able to see 3 counts. while in other in one channel i am able to 150 counts why?

My AFE Configuration settings are

I have configured Mclk of 1 Mhz.

Clamp mode is pixel clamp

Reference and clamp level selection is internal Reference 2.2v.

channel polarity-CCD

And counts set in SHP AND SHD ARE

SHP_CH 1&2_Rising edge-6

SHP_CH 1&2_Falling Edge-14

SHD_CH1&2_Rising Edge-31

SHD_CH1&2_FALLING-38

SHP_CH 3&4_Rising edge-7

SHP_CH 3&4_Falling Edge-14

SHD_CH3&4_Rising Edge-32

SHD_CH3&4_FALLING-38

Gain=1

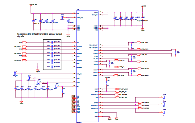
I have attached the schematic picture of Afe.