This thread has been locked.

If you have a related question, please click the "Ask a related question" button in the top right corner. The newly created question will be automatically linked to this question.

ADS7038-Q1: Power up sequence for AVDD and DVDD

Part Number: ADS7038-Q1

Hi Team,

I have three questions about ADS7038-Q1, could you please help explain, thanks!

1. Is there any specific power up sequence requirements for AVDD and DVDD?

2. If the power for AVDD or DVDD is off, will the device be damaged?

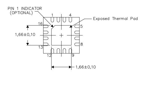
3. What's the dimension for the thermal pad? It's not in datasheet.

Best Regards!

Hao

  • Hello,

    1. There is no power sequence required, as long as both supplies are settled before operating, the device will operate fine

    2. The device will not be damaged, but the device should be be operated in this situation. Also, be sure that the current limits are observed, if this is violated, the device can be damaged.

    3. thanks for pointing that out, I will bring this up. The package information is available in the catalog version of the device ADS7038 datasheet 

    Regards

    Cynthia