This thread has been locked.

If you have a related question, please click the "Ask a related question" button in the top right corner. The newly created question will be automatically linked to this question.

DLP651NE: DLP651 NE flickering not others people projector

Part Number: DLP651NE
Other Parts Discussed in Thread: DLPC7540EVM

Tool/software:

Dear Aron  and Dear Gary,

Lots of love and thank you ... please I am begging you,  please forget others people projector LED and how they  run their LED  single while LED or RGB or how image quality is going to be good or bad ....

that red signal in graph below is from light that me shining it  to DMD  DLP651NE and DMD is flickering and I am detecting it via a Si detector and hooking it up to scope.  There is no Proj RGB.... please read my question if you do not understand ask me again... 

Please kindly appreciate it only and only and only lets kindly focus on  DLP651NE and read my questions several times. have you seen I talk about projector?!?!?!?!?! .

please kindly help me. I appreciate and apologize for my writing.  I really need your help. 

The flickering of light, illuminated by me in DC mode/continuously, is enforced by DLP651NE and NOT other external LED projectors or others... . I want to know when does flickering by DLP651NE  happens. I want to know what output pin in the control of DLP651NE provides me a signal corresponding to that flickering event/occurrence ... 

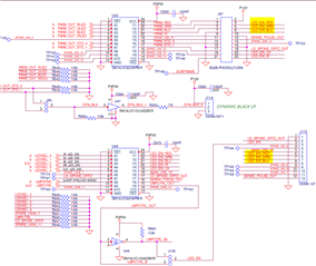
Gary helped us dearly and mentioned the signal LED_EN_RED J97 Pin 4 represent that forced intended flickering in DLP651NE controller. but when I look at that signal that is not correspond to DMD flickering because I have light detector that can detect when DLP651NE turn on and off the light.

That is my stead state light shining on DMD continuously not anyone else light or LED or projector. That yellow signa does not corresponds to flickering by DMD that turns on and off light projecting on it.... I used light illuminating DLP651NE to see how it is flickering. that is my tests. that not anyone else projector or LED. I can use laser LED or any light and illuminate the DLP651NE and see how it flickers by detecting on and off of light and sending it to scope

thanks so much for your help

Babak

  • Mr. Gary and Aaron,
    any update for me?  tried green blue seems not working , the on and off of the DDM is not corresponds to these signal. Will buy and try another board. Any inputs help

    thanks so much

  • Hello Babak,

    As Gary has said, you need to look at a combination of all 3 of the LED enable signals, which is:

    Description Connector Pin
    LED_EN_RED J97 4
    LED_EN_GRN J97 6
    LED_EN_BLU J97 8

    This information is available through the DLPC7540EVM schematic.

    If we mark the thread as 'Resolved', please feel free to still respond to the thread, we will continue to be notified.

    Best,

    Aaron

  • Thank you... I will be poking around all the pins that has something to do with EN light including IR and UV and compare the signal with DMD  true on and off action that I see on my Si light detector on scope. appreciate you Gary and every one ... I keep the result posted that other users also learn from our findings.
    thanks
    Babak 

  • Hello Babak,

    Thank you! We will be waiting for you to come back with information.

    I'll keep this thread open for you.

    Best,

    Aaron

  • Babak,

    The only relevant signals here in the flash image ("project") on the EVMs are R, G, B enables.  UV and IR are not relevant; they are not used in the project/flash image on the EVMs.

    As I said previously, and Aaron re-iterated above, you need to look at the R, G and B enables... Those are what are driven by the controller when it intends to display Red, Green, and Blue.  If it is not driving those, then whatever it is doing on the mirrors is not intended to be displayed.

    Regards,

    Gary

     

  • Thank you that is exactly what I was looking for as response. either I can detect it using  R, G, B enables. Or board will NOT ALLOW USER to know  whatever it is doing on the mirrors intended to be displayed to user.