LMZM23600EVM: LMZM23600EVM

Part Number: LMZM23600EVM
Other Parts Discussed in Thread: LMZM23600

Tool/software:

Good morning

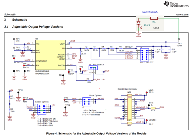
I test evaluation board LMZM23600EVM configuration like in the imagine with efficiency 78%

Costant current Iout 450mA Vout 3,3V

Now, I want to variable output current for led

I think about MODE pin 2 at EXTERNAL SYNC with signal square form at DUTY CYCLE variable.  Also for syncro for more board

It should be possible via PWM signal

I test like a table but various duty cycle not various Iout. Why?

Another question : where I can find Vdropout value? I don't find it in the datasheet  

Thank you