Other Parts Discussed in Thread: DLPA2005
Hi All,
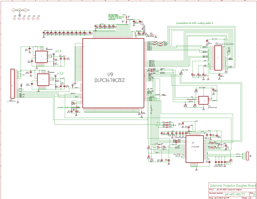
I am debugging a projector board that employs the DLPC3470 and DLPA2005. I am at the point of setting the projector on signal to enable the system, but there is no activity on the 3470's SPI bus that is connected to a Flash ROM that contains its firmware (programmed ahead of mounting). The 2005 is producing its non-switches voltages and the RESETZ signal correctly (low when proj_on is low) and goes high after proj_on switches high.
I am using the data sheet's recommended crystal circuit: 10pF load caps, 100 ohm series resistance and a 953K shunt resistance. The crystal is a TXC 24 MHz fundamental with 10 pF recommended loading capacitors. I have attached the PCB layout.
The 1.1, 1.8, 2.5 and 3.3V supplies are OK. The +10 supply sits at 2.6, and 6V supply is at ground and the -14V supply is about ground jumps to about a volt when the projector on signal changes.
I assume the crystal should be running when power is on the 3470, that it's not enabled with projector on or any other signal other than the logic supply voltage.
Any thoughts are must appreciated.

