This thread has been locked.

If you have a related question, please click the "Ask a related question" button in the top right corner. The newly created question will be automatically linked to this question.

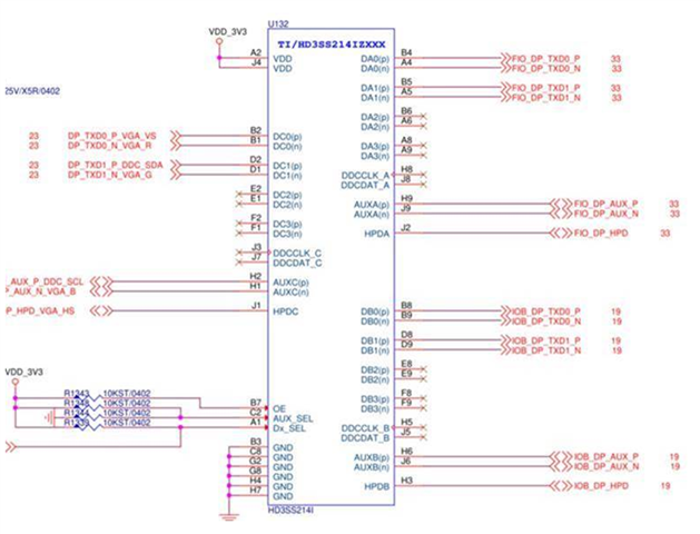
HD3SS214: Analog VGA signal

Part Number: HD3SS214
Other Parts Discussed in Thread: TS3V713EL

Hi Team,

Could you pls check is HD3SS214 a good option for switching Analog VGA signal? And from the schematic, you can see AUX lane being used for the Blue. Is it ok? My customer told me that they take the NV's schematic for reference.

Regards,
Hailiang