This thread has been locked.

If you have a related question, please click the "Ask a related question" button in the top right corner. The newly created question will be automatically linked to this question.

CAN communication between two differently powered Boards

Other Parts Discussed in Thread: SN65HVD230

Hi,

I have a question about CAN interface.I will be using a normal CAN transceiver( not isolated) like  SN65HVD230 to communicate between two different boards powered from two different batteries.

I will be connecting as shown below.

Only transceivers are shown.My doubt is when it has no common reference(different GROUND) between the two boards will the CAN communication work?

Thanks in advance for your reply.

I apologize if the question is too silly.

Thanks a lot,

Sonu

  • Hello Sonu,

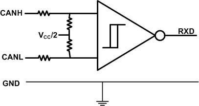
    The above system assuming you are not in a very noisy environment should still work.  While you have no GND between the two nodes, the CAN transceivers will establish a common mode reference point between themselves from the recessive biasing network within the receiver portion of the 2 CAN transceivers.  See the attached diagram of a simplified internal working of the CAN transceiver.  This bias point, Vcc/2, is essentially the recessive level where no differential voltage is between the CANH and CANL lines.  When either of the transceivers drives dominant they will push the lines apart.  It would be better if you could put a 3rd line in for a true CAN reference ground, but for most cases it should still work fine assuing the network is only 2 nodes and a fairly low noise environment.

     

    -- Scott

  • Hi Scott,

    Thanks a lot for your reply.

    Sonu