Hi Tiers,
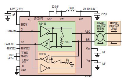
Do we have solution to replace LTC2873?
Thanks and best regards,
Jamie
This thread has been locked.
If you have a related question, please click the "Ask a related question" button in the top right corner. The newly created question will be automatically linked to this question.
Hi Tiers,
Do we have solution to replace LTC2873?
Thanks and best regards,
Jamie
Jamie,
Unfortunately TI doesn’t have multiprotocol transceivers yet. Please let me know if you have more questions.
Regards,
Hao