This thread has been locked.

If you have a related question, please click the "Ask a related question" button in the top right corner. The newly created question will be automatically linked to this question.

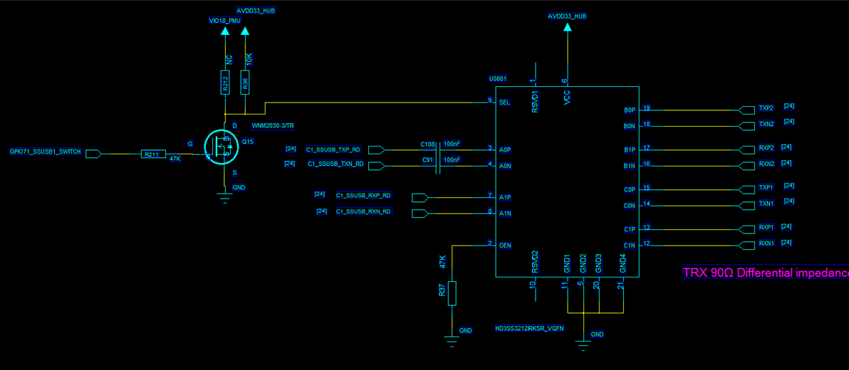
HD3SS3212: USB3.1

Part Number: HD3SS3212

Hi team,

Port B and port C are connected to type-C connector, and port A is connected to HUB.

When C91 and C108 are 100nF, HD3SS3212 cannot work normally. After changing C91 and C108 to 220nF, they can work normally. Why is this?

Best Regards,
Amy

  • Hi Amy,

    The total AC coupling capacitance on the USB bus was out of the acceptable range. For Type-C applications we recommend using 220 nF on TX and 330nF on RX.  Also I normally recommend AC coupling in between the connector and HD3SS3212. This allows the HD3SS3212 to be DC biased by you USB hub as long as the  Vcm of the your hub is in the acceptable range.