Other Parts Discussed in Thread: ISO1541
Hi.
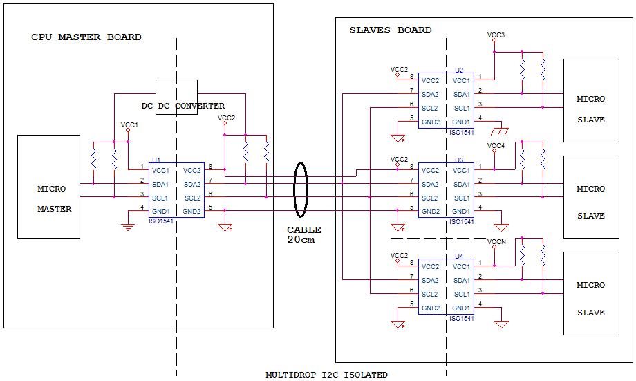
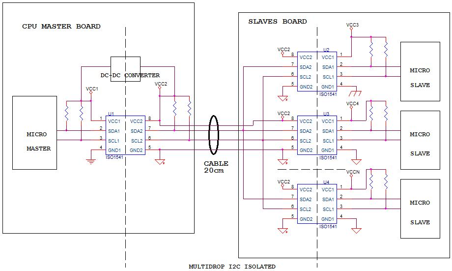
I want to build a multidrop i2c isolated bus using ISO1541.
I have a micro master and 8 micro slave.
I need to do a Read/Write operation.
Is the schematic in attached correct ?
What about speed if the maximum distance is 1 meter ?
Thanks.
Mario.
