This thread has been locked.

If you have a related question, please click the "Ask a related question" button in the top right corner. The newly created question will be automatically linked to this question.

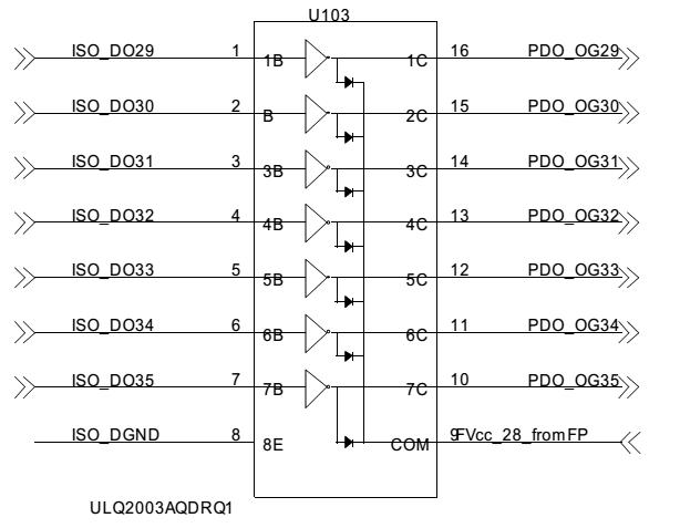
Calculation of power consumption of darlington pair IC (ULQ2003AQDRQ1)

Other Parts Discussed in Thread: ULQ2003A-Q1

Dear All,

I am using darlington pair to increase the current sourcing capability of TTL output lines. I am using the part no ULQ2003AQDRQ1. At com pin I am giving 28V. Other input & output lines of this IC are in 3.3V level. Please help me to calculate the power consumed by this IC. I am attaching the portion of schematics also for your reference. Kindly help with proper justification that how to calculate the power consumption of this IC.

Regards,

Sayantan

  • Hello Sayantan,

    I will get back to you soon.

    Best,
    Michael

  • Hello Sayantan,

    When considering power dissipation for these devices, it is dependent upon the number of channels you have operating, the dropout voltage, and the current through each channel (both value and duty cycle).

    The power dissipation of a single channel is Current*Voltage. The Collector-Emitter saturation voltage is dependent upon the loading conditions, but is generally about 1V.

    If you look at Figure 16 in the ULQ2003A-Q1 datasheet, you can see what the maximum allowable collector current through the device is based on number of channels and duty cycle.

    I hope this helps!
    Best,
    Michael