This thread has been locked.

If you have a related question, please click the "Ask a related question" button in the top right corner. The newly created question will be automatically linked to this question.

SN74HCS594: Difference to SN74HCS595

Part Number: SN74HCS594
Other Parts Discussed in Thread: SN74HCS595

Tool/software:

Hi

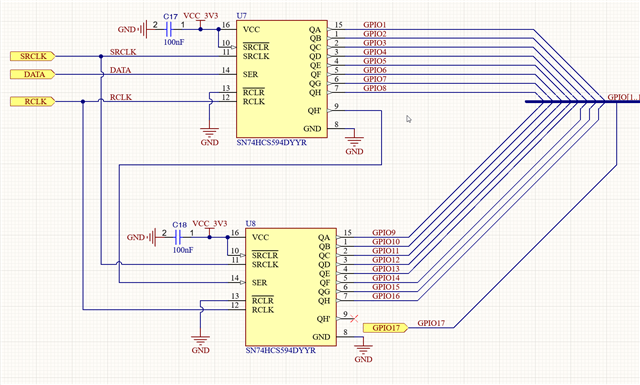
I need 16 additional GPIO to drive some SSR each, requiring 5mA

I am planning to use SN74HCS595, but how is this SN74HCS594 any different to this devi Post ce? I belive both can be incompatible.