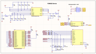
Part Number: TMS320F280025C
Dear All
I am using On-Board Micro-Controller of C2000 of the given part number, for a BLDC Motor Drive. I haven't populated the Power Section yet. I populated only the shown Resistors and Capacitors on board and connected to 3.3V Power Supply. I verified layout and solder errors. Is there anything I'm missing? What else should I diagnose ?
