Hello TI.
I have noticed that in your TMDSSOLARUINVKIT the INV_PWM_2H (on GPIO3) don't have any signals so our question is what is the purpose of INV_PWM_2H in schematics?

This thread has been locked.
If you have a related question, please click the "Ask a related question" button in the top right corner. The newly created question will be automatically linked to this question.
Hello TI.
I have noticed that in your TMDSSOLARUINVKIT the INV_PWM_2H (on GPIO3) don't have any signals so our question is what is the purpose of INV_PWM_2H in schematics?

Hi Wojcicech,
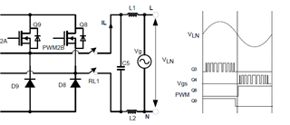
At the hardware level GPIO 3 is connected to INV_PWM_2H. Which is connected to the gate driver and its output INV_DRV_2H is driving the high side FET Q4. Was your question that you are not seeing PWM output on the GPIO3 from software?

We also have some of our latest devices and solutions in C2000WARE-DIGITALPOWER-SDK Software development kit (SDK) | TI.com
Thanks and regards, Pawan
Hi Pawan Nayak.
I asking about it because I saw on the osciloscope that EN_INV_PWM_2H have signal to FET Q4 and it is correct but I don't have any signal on INV_PWM_2H. Therefore my question is, is it neccessary to have INV_PWM_2H?
Yes PWM is needed for Q4. Are all the jumpers populated J19 and J32. Which build level are you using.
Regards, Pawan
Hi Wojciech,
The INV_PWM_2H is also connected to PWM-7A. Is the jumper J27 un-populated. Please remove jumper J27.
Also the ClearInvTrip variable should be set to 1.
Switch Q8(INV_PWM_2H) will only be switching for only one half of the cycle.

Thanks and regards, Pawan