Other Parts Discussed in Thread: AFE031, BOOSTXL-AFE031-DF1
Tool/software:
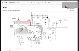
위의 AFE031 데이터시트를 보면 TX_FLAG 와 RX_FLAG를 사용해야 하는 것처럼 보인다. (AFE031의 47번,48번 핀)
AFE031 데이터시트의 44페이지를 보더라도 TMS320F28x MCU GPIO 핀과 연결되어있으며, 이것에 대한 연결을 해봐야 한다고 생각한다.
현재 사용하는보드는 LAUNCH-F280049C 보드이며,
사용 펌웨어는 dacmode 이다.
이 펌웨어에서 47번 ,48번에 연결하는 핀으로 보이는 핀은 아래 코드처럼 F280049C의 GPIO10(93번), GPIO0(79번) 번 핀이라고 보인다.
위 코드사진을 올린 이유는 그런 내용을 파악하기가 어려워서 올린 것이다.
다시한번 검토하고 회신주기 바란다.

위의 AFE031 데이터시트를 보면 TX_FLAG와 RX_FLAG를 사용해야 하는 것 같습니다. (AFE031의 핀 47 및 48)
AFE031 데이터시트의 44페이지를 보면 TMS320F28x MCU GPIO 핀에 연결되어 있는데 이것에 연결해야 한다고 생각합니다.
현재 사용되는 보드는 LAUNCH-F280049C 보드입니다.
사용되는 펌웨어는 dacmode입니다.
이 펌웨어에서 숫자 47 및 48에 연결된 것으로 보이는 핀은 아래 코드와 같이 F280049C의 핀 GPIO10(#93) 및 GPIO0(#79)으로 보입니다. 위에 코드 사진을 올린 이유는 내용을 이해하기 어려웠기 때문입니다.
다시 검토하고 회신하십시오.

Looking at the AFE031 datasheet above, it looks like TX_FLAG and RX_FLAG should be used. (Pins 47 and 48 of AFE031)
If you look at page 44 of the AFE031 datasheet, it is connected to the TMS320F28x MCU GPIO pin, and I think you need to connect to this.
The board currently used is the LAUNCH-F280049C board.

The firmware used is dacmode.

The pins that appear to be connected to numbers 47 and 48 in this firmware appear to be pins GPIO10 (#93) and GPIO0 (#79) of F280049C, as shown in the code below.
The reason I uploaded the code photo above was because it was difficult to understand the contents.
Please review again and reply.
