This thread has been locked.

If you have a related question, please click the "Ask a related question" button in the top right corner. The newly created question will be automatically linked to this question.

ADC strange GRAPH with HVPM_Sensorless_CLA_F28035 example (HVMotorCtrk+PFCKit_v2.0)

Other Parts Discussed in Thread: TMS320F28035, TMS320F28335

I am running HVPM_Sensorless_CLA_F28035 example (HVMotorCtrk+PFCKit_v2.0) from Control Suite in TMS320F28035 environement.

I used TMS320F28335 for some time and graph tool was working fine with the similar buffer code. However,  I could not get the graph tool working with TMS320F28035 with CLA. 

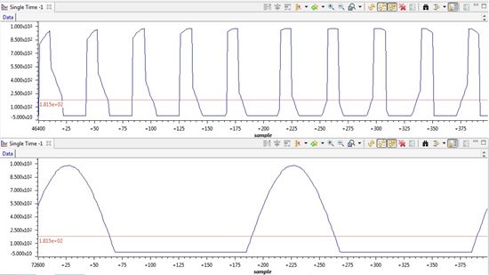
I am trying to graph positive cycle of the simple sinusoidal signal with 60Hz. Whenever the Enableflag is turned to one (whenever the all calculation code is running) graph tool outputting the top figure whenever the EnableFlag is turned to 0  (pretty much nothing goes on) graph tool is outputting bottom figure (possible the last array from the previous cycles). 

Graph properties are 200 Buffer size 32 bit Floating point 10000 Sampling Rate Hz

interrupt void Cla1Task1 ( void )

{...

...

if(EnableFlag!=0)
{

...

...

AdcBuf [ ConversionCount ] = ( AdcResult.ADCRESULT8  + AdcResult.ADCRESULT9 ) >> 1;

if (ConversionCount == ADC_BUF_LEN-1)

     ConversionCount=0;

else

     ConversionCount++;

...

....

}

///AdcBuf definitions are in ClaDataRam0. I also tried Cla1ToCpuMsgRAM  ;

#pragma DATA_SECTION(AdcBuf,"ClaDataRam0");

volatile float AdcBuf[ADC_BUF_LEN]; // ADC buffer allocation

#pragma DATA_SECTION(ConversionCount,"ClaDataRam0");
volatile int ConversionCount; 

  • Problem was a small buffer size for the switching frequency. Two options to solve it:

    1.) Increase the buffer size: 

           - was at AdcBuf[200] move it to [1000] would solve..

    2.) Temprory solution:  if there are not enough space for AdcBuf[1000], to monitor ADCs without any other calcuations interrupts can be slowed down from every other 10us to 50us.