This thread has been locked.

If you have a related question, please click the "Ask a related question" button in the top right corner. The newly created question will be automatically linked to this question.

Two MCU SM320F2808 one master and one slave

Other Parts Discussed in Thread: UNIFLASH, TMS320C28346

HI

I have two SM320F2808 in design phase, one is master and one as slave. Both will performs DSP operation processing signal in real time on two separates signals.

I cannot use higher spec DSP due to package size (will not fit 25mm width PCB) and cannot use BGA type package. For stake of argument I'm, not considering alternative MCU due to different package and temp grade (125C max).

Has anyone have experience in dealing with two MCU, I plan to use SPI bus as primary comm between slave and master, I open for alternative scheme (no I2C).

I suppose there will be two JTAG, one for slave and one for master, is there way to MUX together under IDE?

I'm open for suggestion / idea for best way to put two MCU together

  • Richard,

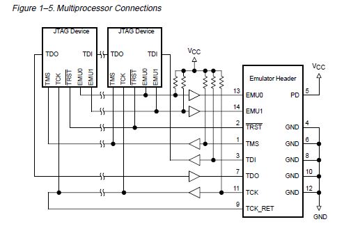
    You can daisy-chain the JTAG signals if you want.  This is typically done to save space on the board (you only need one JTAG header then).  You'd daisy-chain like this:

    Note that I took this figure from here: http://www.ti.com/lit/ug/spdu079a/spdu079a.pdf.  This is an old document, so don't pay attention to all the timing stuff in there and the voltage levels (which are 5V, not 3.3V).  But the connection diagrams are useful.

    For buffering, many users build a small adaptor board for the JTAG that has the buffers on it.  That way they don't need to put buffers on each production board (which takes up space and adds cost).  With only two devices in the chain, you MIGHT be able to get away without the buffers as well.  You can try it.  You can also slow down the JTAG clock.  Sometimes that helps.  If it doesn't work, you'll need to add the buffers on an adaptor board.

    TI tools support the daisy-chained JTAG (e.g., CCS, Uniflash).

    For the ocmms connection, SPI is one way to connect the two devices.  That does force you into a master-slave arrangement for communication.  The slave cannot initiate communication.  I suppose you could use an interrupt line to the master so the slave can signal that he has something to say.  An alternative would be UART (SCI) which has fully independent TX and RX channels.  SPI is usually considered more fool-proof since it is synchronous (has a clock) and can achieve higher bit rates than SCI (which is asynchronous).  But unless you require a very fast bus, SCI may work for you.  Just a thought on an alternative.

    Regards,

    David

  • Hi David,
    My ctm use the JTAG Daisy Chain to connect 4 tms320c28346 on their product. Now, the product will be in the Mass Production stage. They don't want to ues the CCS to download the programme,so does the UNIFLASH support the JTAG Daisy Chain? If yes,how to config the UNIFLASH,? If no ,do we have some good ways to achieve this?
  • Hello Shuai,

    This thread has not been active since 2014. Please create a new forum post for the best chance of receiving support.

    Best Regards,
    Adam Dunhoft