This thread has been locked.

If you have a related question, please click the "Ask a related question" button in the top right corner. The newly created question will be automatically linked to this question.

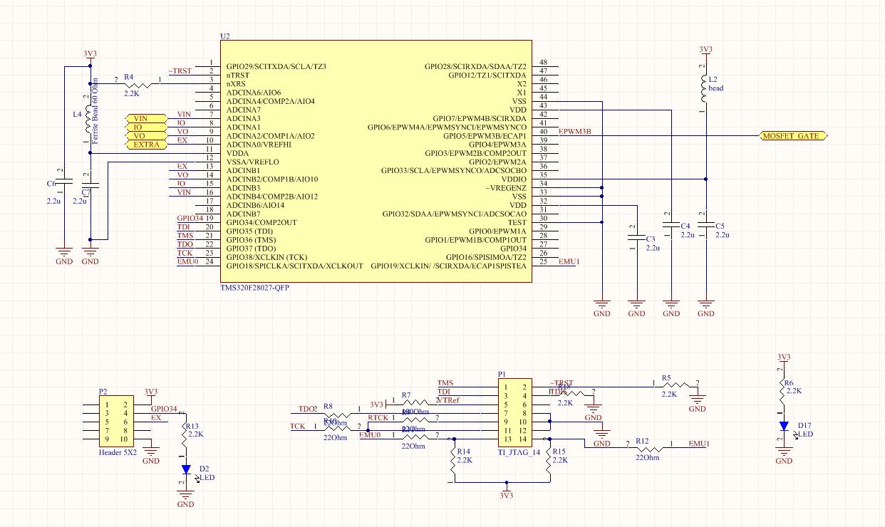
TMS320F28027PTQ mounting on the board

Other Parts Discussed in Thread: CONTROLSUITE, LAUNCHXL-F28027

Hi,

    I have been trying to make a small project using TMS320F28027PTQ DSP. I am trying to program it using TI JTAG14 pin connector.

When I make a new target configuration file, do all proper settings and test the configuration, the connection test succeeds .

Then I build the program and run it, everything goes smooth. and the code runs in emulation mode through code composer studio 6.0.

The problem I am facing is I dont see any output on the desired pins. i.e. I run the sample LED blink program from the examples, and it doesnt work.

I also purchased a Launchpad kit for the same DSP. the code runs just fine on that kit.

So I think there might be some problem with the DSP configuration.

I have attached a picture of the schematics,

I am new to mounting the DSP on board, if someone can help I would really appreciate it.  

Thanks,

Snehal