This thread has been locked.

If you have a related question, please click the "Ask a related question" button in the top right corner. The newly created question will be automatically linked to this question.

TMDSCNCD28379D: Why does the 100mΩ resistor connection capacitance is required at TMS320F28379DZWT Reference pin ?

Part Number: TMDSCNCD28379D
Other Parts Discussed in Thread: OPA350

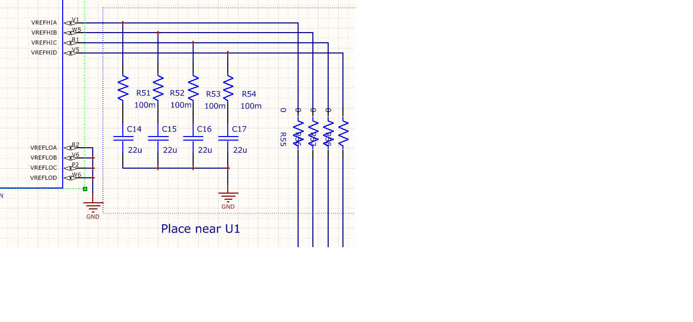
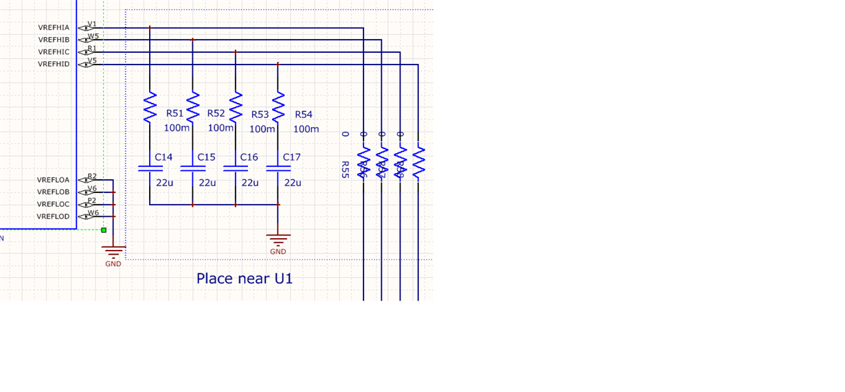
In controlcard demo (TMDSCNCD28379D),as shown in the diagram below, we can see that the reference  pin(VREFHIA VREFHIB VREFHIC VREFHID)  is connected to the filter capacitor through 100m ohm. Why do you need this resistors? We don't expect the series equivalent resistance of capacitors (ESR)to be smaller, the better?I hope you can tell me how to do it.

  • Hi Tina,

    22uF is a huge load for an op-amp to drive, even one that is good at driving capacitive loads like OPA350.  The 100m ohm resistor is to ensure op-amp stability.  

    On a custom board, you may be able to determine that the trace resistance and/or capacitor ESR is sufficient to ensure stability.  

    Even with a 100m series resistor, the capacitor still has an effective BW >> than the op-amp BW, so it does a good job of absorbing the high-frequency transients from the VREFHI pin.