This thread has been locked.

If you have a related question, please click the "Ask a related question" button in the top right corner. The newly created question will be automatically linked to this question.

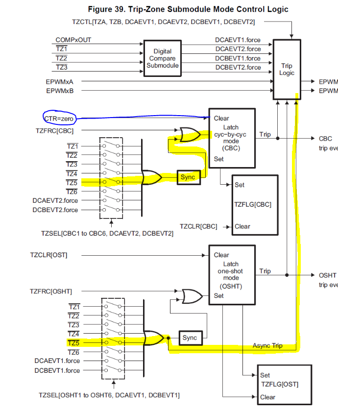
TMS320F2809: About ePWM CBC action

Part Number: TMS320F2809


Hi,

When the EPWM TZ works as CBC, if the TZ signal is keep active low when the ePWM Counter(TBCTR) is 0, the userguide says "If the cycle-by-cycle trip event is still present when the TZFLG[CBC] bit is cleared, then it will again be immediately set." How long will this "immediately" be? 1 cycle? some nanoseconds?