This thread has been locked.

If you have a related question, please click the "Ask a related question" button in the top right corner. The newly created question will be automatically linked to this question.

TMDSCNCD28035: C1 value

Part Number: TMDSCNCD28035
Other Parts Discussed in Thread: C2000WARE

Dear TI Experts:

An little problem.

For the F28035 Piccolo controlCARD, the C1 is 1u in the schematic circuit, but 100n in the BOM file.

Could you check the C1 value for us?

Many thanks~

^_^

Wish you the best!

Tang Han

  • Hi,

    If you check R1.2, the schematic and BOM both mention C1 as 100n.
    C:\ti\c2000\C2000Ware_1_00_06_00\boards\controlCARDs\TMDSCNCD28035\R1_2

    Regards,
    Gautam
  • Dear Gautam:

    Thanks for your kind reply.

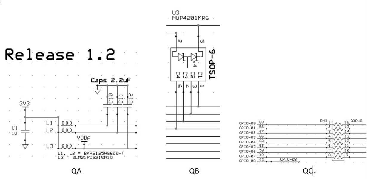
    QA:  I find there are two C1s in the schematic circuit.  You can find the C1 (1u) I mentioned in the following figure.   ^_^

           The C1 (100n) you mentioned is connected to VDDA.  Is VDDA equal to 3V3?

    QB: I found some ADC pins are not connected to a capacitor and a NUP4201MR6.   Let's take ADC-A4 for example. If we want to apply it as an ADC pin. We still had better connect ADC-A4 to a capacitor and a NUP4201MR6 to protect the pin, right?

    QC: For GPIO-00~ GPIO-07, why do they connect the resistor RN3?  It seems that ADC pins connect to resistors (RN1, RN2) can protect the ADC pins.  But why do the GPIO pins need to connect to resistors?

    I found in some motor control circuits, the GPIO pin will output the PWM signal and directly connect to the input pin of a Gate Driver, without a resistor between the GPIO pin and the Gate Driver.  I really hope to know why the control card adds the RN3 for the users. 

    Hope to hear from you soon.

    Thanks for your kindness again.   

    ^_^

    Tang Han

  • Tang Han,

    Q A VDDA is indeed equal to 3.3V

    Q B There is no particular reason why some ADC pins are not connected to any components, other then preserving few ADC pins in pure state for performance evaluation / comparison.

    Q C RN3 is most likely there to protect pin buffers in case user accidentally connects Power or Ground directly to these pins.

    Regards,
    Peter
  • Dear Peter:
    Thanks for your kind reply~
    Best Regards,
    Tang Han